

E22-900M22S是基于美国 Semtech 生产的全新一代LoRa扩频技术SX1262射频芯片为核心自主研发的超小体积并适用于868/915MHz贴片式LoRa无线模块,使用工业级高精度 32MHz 晶振。由于采用原装进口的SX1262芯片为无线模块核心,与上一代 LoRa 收发器相比,抗干扰性能与通信距离得到了进一步提升。由于其采用全新的 LoRaT调制技术,在抗干扰性能、通信距离都远超现在的 FSK、GFSK 调制方式的产品。该无线模块主要针对智能家庭、无线抄表、科研和医疗以及中远距离无线通信设备。
由于射频性能与元器件选型均按照工业级标准,并且该产品已获得 FCC、CE、RoHS 等国际权威认证报告,用户无需担忧其性能。该无线模块产品可覆盖850~930MHz超宽适用频率范围并向下兼容SX1278芯片、SX1276芯片。由于该模块是纯射频收发模块,需要使用 MCU 驱动或使用专用的 SPI 调试工具。
1、与 SX1278芯片无线模块相比,SX1262芯片模块具有功耗更低、速度更快、通信距离更远的显著优势;
2、超小体积,仅 14x20mm;
3、无线模块在理想条件下,通信距离可达7km;
4、最大发射功率 160mW,软件多级可调;
5、支持全球免许可 ISM 868/915MHz 频段;
6、LoRa模式下支持 0.018k~62.5kbps 的数据传输速率;
7、FSK 模式下支持最高300kbps 的数据传输速率;
8、向下兼容SX1278/SX1276 系列射频收发器;
9、FIFO 容量大,支持256Byte 数据缓存;
10、为支持密集网络推出的全新 SF5扩频因子;
11、工业级标准设计,支持-40~+85℃下长时间使用;
12、双增益天线可选(IPEX/邮票孔),便于用户二次开发,利于集成;

机械尺寸图
引脚定义图

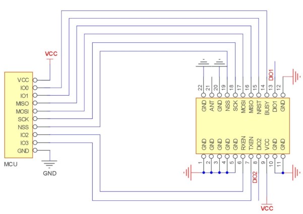
基本电路图
家庭安防报警及远程无钥匙进入;
智能家居以及工业传感器等;
无线报警安全系统;
楼宇自动化解决方案;
无线工业级遥控器;
医疗保健产品;
高级抄表架构(AMI);
汽车行业应用
今天的分享就到这里啦,EBYTE每一天都致力于更好的助力物联化、智能化、自动化的发展,提升资源利用率,更多串口服务器、数传电台、lora模块等无线数传模块产品更多资料,感兴趣的小伙伴可以登录我们的亿佰特官网进行了解,也可以直接拨打400电话咨询技术专员!
相关阅读:
7 X 24 销售服务热线
4000-330-990©© 成都亿佰特电子科技有限公司【版权所有】 蜀ICP备13019384号


