

说到电机,大家都不陌生,总会想到各种电机。如图列举部分

再看一些实物图,大家就有目共睹的熟悉感。

1、按工作电源种类划分
直流电机
交流电机
2、直流电动机按结构及工作原理划分
无刷直流电动机
有刷直流电动机
3、有刷直流电动机分类
电磁直流电动机
永磁直流电动机
4、永磁直流电动机
铁氧体永磁直流电动机
铝镍钴永磁直流电动机
稀土永磁直流电动机
5、电磁直流电动机
并励直流电动机
他励直流电动机
复励直流电动机
串励直流电动机
6、交流电机分类
三相电机
单相电机
7、按结构和工作原理划分
同步电动机
异步电动机
8、同步电动机分类
磁阻同步电动机
磁滞同步电动机
永磁同步电动机
9、异步电动机分类
感应电动机
交流换向器电动机
10、感应电动机分类
单相异步电动机
罩极异步电动机
三相异步电动机
11、交流换向器电动机分类
单相串励电动机
交直流两用电动机
推斥电动机
防误式刀开关

断路器开关

按钮开关

采用4G网络远程控制,通过手机APP控制,由4G云端传输控制指令到4G远程遥控开关,遥控开关输出端口实现接通和断开功能(替代传统接触按钮开关、闸刀、断路器等)。控制大小功率电机,可通过不同规格接触器轻松实现远程控制功能。



优势
打破现场控制距离局限
便捷高效
实用性高
手机APP界面直观显示开关状态
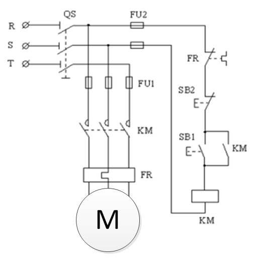
1、电机自锁电路图
通过启动按钮(点动)启动后,让接触器线圈持续有电,致使保持接点通路状态。

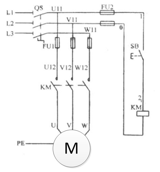
2、电机点动电路图
按下启动按钮,接触器线圈上电,接触器接通,电机启动。松开启动按钮,接触器线圈掉电,接触器断开,电机停车。

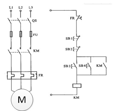
3、电动机异地双控制电路图

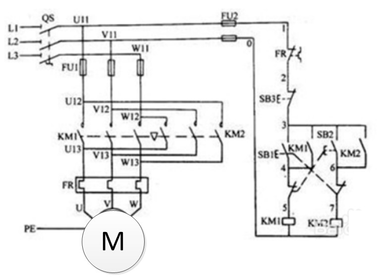
4、电动机按钮联锁正反转控制电路图

7 X 24 销售服务热线
4000-330-990©© 成都亿佰特电子科技有限公司【版权所有】 蜀ICP备13019384号


