


ZigBee是一种无线传感器网路技术,它具有以下几个特点:
速率低:工作在20~250kbps,分别是250kbps(2.4GHz)、40kbps(915MHz)和20kbps(868MHz)的原始数据吞吐量;
成本低:由于其简化了协议所以对于通信控制器的要求大大降低,同时ZigBee免去了协议专利费,使其成本大大降低;
功耗低:相比于蓝牙和WiFi,ZigBee大大降低了其待机功耗,两节5号电池便可让其工作1年以上。
延时短:其响应速率很快,一般只需要15ms便可由睡眠转入工作状态,即使节点连接进入网络也只需要30ms;
容量高:其网络节点可以管理多个主节点,而一个主节点便可管理254个子节点,所以一个网络节点可以控制最多65000个子节点;
距离低:一般模块传输距离只能到10~100m,通过在后级增加PA或者使用高增益的外置天线,可以将其距离增加上千米甚至几千米;
安全性:ZigBee具有无安全设定、使用访问控制清单、AES 128三级安全模式,有效的保证了其灵活的安全属性;免执照频段:使用的频段均为开放频段。
抢答器最常见到就是电视台抢答节目以及一些学校举办的电子知识竞赛节目中,早期的抢答器均是使用模拟电路与数字电路搭载的产品,这种产品虽然技术很成熟,但是这种抢答器会随着使用空间以及数量的增加而变得繁琐。所以后期无线抢答器迅速新兴起来,这种抢答器空间限制比较小、布置方便、节点数量更多等优点。


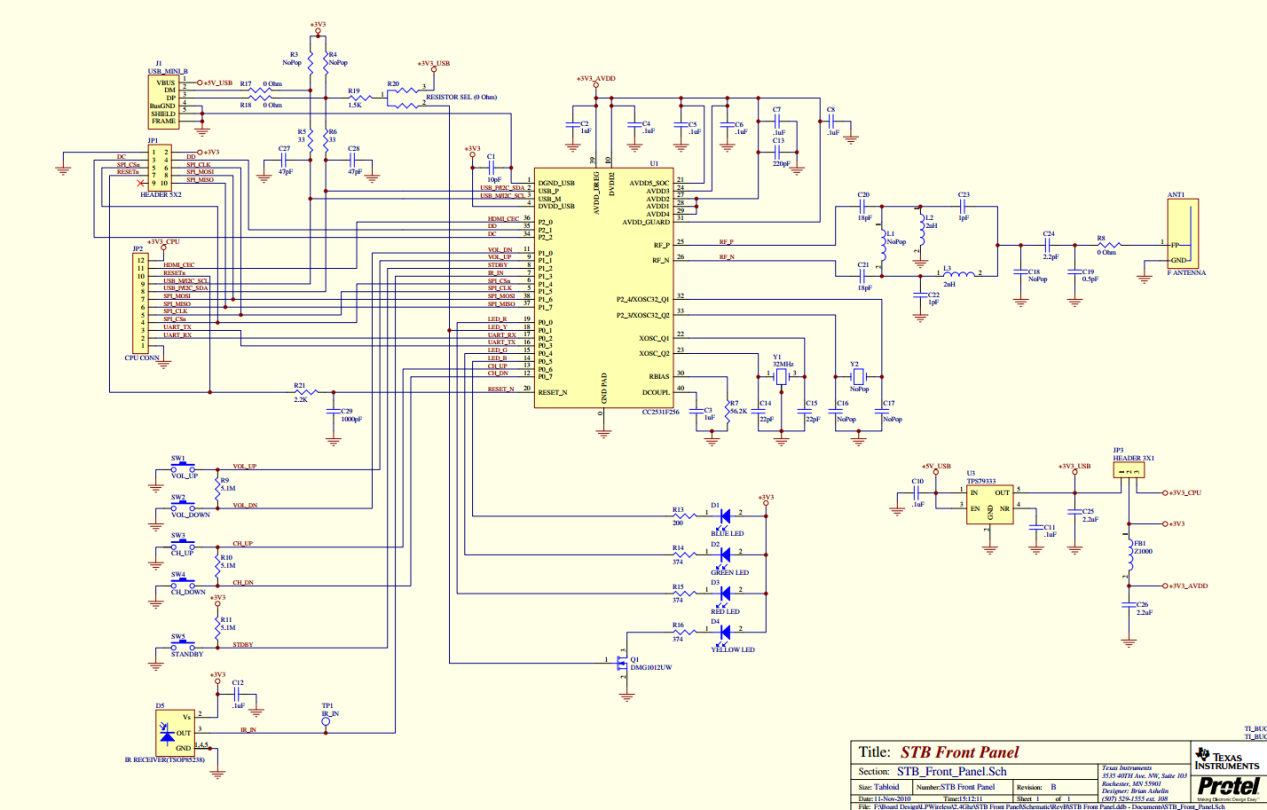
典型的ZigBee控制板原理图
通过官方网站推荐的原理图去设计一块典型的Demo板,所有器件都使用贴片元件会发现制作出来的PCB板会很精巧,射频部分按照官方推荐值来焊接可以满足基本的通信,如果希望通信距离更加远,需要使用频谱仪等仪器进行射频端匹配,PCB板大小,器件摆放位置等等都会直接影响最终通信距离。同时可以在PCB板载天线位置预留出一个IPX或者SMA天线因为是无线抢答器,可以只保留两个按键和两个LED便可,根据项目需要的节点数焊接多少个控制板。

左侧空旷区为PCB板载天线区,天线底层是绝对不可以铺地的,同时天线与地的距离也有要求,具体请参考具体的PCB天线要求,网格部分为电源部分,网格地可以有效的避免电磁干扰,如果使用的是锂电池或者干电池也可以不用铺网格地,给但是需要在靠近射频芯片端多加滤波电容。
将各个节点与协调器直接进行组网,某个节点或者多个节点有按键状态时,射频芯片与协调器进行通信,协调器将优先收到的数据进行显示,这便是简单的基于ZigBee无线抢答器,如果需要优化可以对程序进行处理,添加显示屏,各个节点也可以增加显示屏或者LED灯,对于抢到的节点进行一个显示。如果抢答器距离不够远,可以对射频端增加外置天线,提高天线增益,或者后级增加PA增加功率来增加距离。
7 X 24 销售服务热线
4000-330-990©© 成都亿佰特电子科技有限公司【版权所有】 蜀ICP备13019384号


