

嗨~各位伙伴~又见面了!
芯片缺货已经不是什么新鲜话题了,直到现在也令业内人士苦不堪言。但市场在变化,我们总要去应对。虽然国外的半导体公司非常多也非常优秀,但近年来国内也诞生了诸多高性能的芯片,有的性能反而优于很多国外的芯片。

Si24R1芯片就是其中一个例子,它是专为低功耗无线通信应用场合设计的2.4G频段RF射频芯片。由于其性能与nRF24L01+完全兼容,可以直接替换,硬件跟软件都不需要改动,所以还在业内被称作“国产nRF24L01+”。
E01C-ML01DP5无线模块是亿佰特基于国产的Si24R1芯片方案为核心自主研发的最大发射功率为100mW的2.4GHz直插式无线模块。在原有基础上内置了功率放大器(PA)与低噪声放大器(LNA),使得最大发射功率达到100mW的同时接收灵敏度也获得进一步的提升,在整体的通信稳定性上较没有功率放大器与低噪声放大器的产品大幅度提升。
1、E01C-ML01DP5模块与E01-ML01DP5射频模块一样,都是SPI纯硬件模块,需要外接MCU,对MCU进行编程配置无线模块芯片的寄存器参数,完成数据通信。
2、采用国产Si24R1芯片方案,与E01-ML01DP5采用的nRF24L01+芯片方案相比,性价比更高,两款产品尺寸一致、功能一致、引脚一致,可完美替换对应产品。
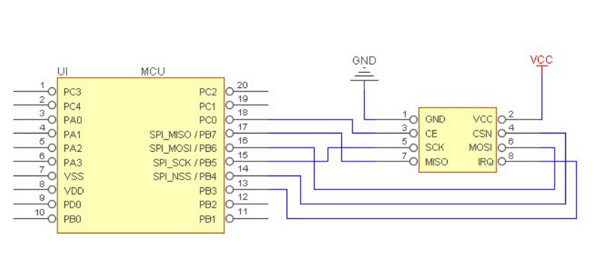
3、参考电路图:

4、实测频谱图:

今天的分享就到这里啦,EBYTE每一天都致力于更好的助力物联化、智能化、自动化的发展,提升资源利用率,更多无线数传模块产品资料,感兴趣的小伙伴可以登录我们的亿佰特官网和企业公众号(微信号:cdebyte)进行了解,也可以直接拨打400电话咨询技术专员!
相关阅读:
7 X 24 销售服务热线
4000-330-990©© 成都亿佰特电子科技有限公司【版权所有】 蜀ICP备13019384号


