

晶体管(transistor)是一种固体半导体器件(包括二极管、三极管、场效应管、晶闸管等),它具有检测、整流、放大、开关、稳压和信号调制等多种功能。作为交流断路器,晶体管可以根据输入电压控制输出电流。与普通机械开关(如继电器和遥控开关)不同,晶体管使用电信号来控制其打开和关闭,因此开关速度可以非常快,实验室中的开关速度可以达到100GHz以上。晶体管通常是由半导体材料制成的固态电子器件。电流的循环可以通过添加电子来改变。这一过程使电压变化成比例地影响输出电流的许多变化,从而使放大倍数倍增。除大多数电子设备外,并非所有电子设备都包含一种或多种类型的晶体管。有些晶体管单独或通常放置在集成电路中,并且根据应用的状态而变化。
根据晶体管的性能,可形成晶体管的逻辑电路,在数字集成电路中运用广泛。
数字集成电路是对数字集成电路执行逻辑运算和转换的逻辑电路。逻辑电路的基本单元是门电路和触发电路。触发电路主要由各种门电路组成,是数字集成电路的基本单元。依照基本单元电路的工作特点不同,分为三种类型:饱和型逻辑(RTL,DTL,TTL)、抗饱和型逻辑(STTL)、非饱和型逻辑(ECL)。本文主要介绍RTL,DTL,TTL三种逻辑电路。
第一种是电阻晶体管耦合逻辑电路(RTL),它是或非门电路。当输入信号为高电平时,输出为低电平,输出为低电平vol=0.2V,采用步进连接时输出为高电平vol=1V,电路具有速度慢、负载能力低、抗干扰能力差的特点。电路如图1所示:
图1 电阻-晶体管耦合逻辑电路
第二种是二极管-晶体管耦合逻辑电路(DTL),它是一种与非门电路。只要输入信号为低电平,则输出为高电平。只有当所有输入均为高电平时,输出才为低电平。对于RTL电路,其负载能力和抗干扰能力有所提高,但电路速度仍然很慢。

图2 二极管-晶体管逻辑电路
第三种就是我们用到的TTL与非门,如图所示,由于输入级和输出级均由晶体管组成,故称为晶体管-晶体逻辑管,简称TTL电路。其实,TTL门电路也分很多种,比如说非门、与非门、或非门、与或非门以及OC输出的与非门。虽然种类多,但是基本的工作原理都是类似的。所以,接下来就介绍一个经典的TTL与非门电路。

图3 典型TTL与非门
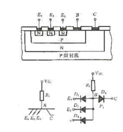
又因为在晶体管中参与导电的有两种极性的载流子,故这种电路属于双极性电路。如图所示:

图4 多射极晶体管的结构及等效电路
由图可知,输入级:T1是多发射极晶体管,可以把它看成二极管构成的,如图4所示。所以根据图中就能看出来,输入级就是一个与门电路:C= D1·D2·D3。只有当 D1、D2、D3都为 1 时,C 才会输出 1,其余C都为 0。
中间级:由三极管T2和电阻R2、R3组成。在电路的开通过程中利用T2的放大作用,为输出管T3提供较大的基极电流,加速了输出管的导通。所以,中间级的作用是提高输出管的开通速度,改善电路的性能。
输出级:由三极管T3、T4、T5和电阻R5组成。如图3所示,图3中T5三极管非门电路,图3中T3、T5是TTL与非门电路中的输出级。从图中可以看出,输出级由三极管T5实现逻辑非的运算。但在输出级电路中用三极管T4、T3和R4组成的有源负载替代了三极管非门电路中的R4,目的是使输出级具有较强的负载能力。其中T4可以起到三极管反向击穿的保护作用。
TTL电平信号被利用得最多是因为通常数据表示采用二进制规定, +5V等价于逻辑“1",0V等价于逻辑“0”,这被称作TTL(Transistor- Transistor Logic晶体管晶体管逻辑电平)信号系统,这是计算机处理器控制的设备内部各部分之间通信的标准技术。
首先,由计算机处理器控制的设备内部的数据传输具有低功耗要求和低热损耗,此外,TTL电平信号直接连接到集成电路,无需昂贵的线路驱动器和接收器电路。此外,由于计算机处理器控制的设备内部的数据传输以高速进行,TTL接口的操作刚好可以满足这一要求,所以TTL电平对于计算机处理器的控制设备是很好的选择。
TTL型通信大多数情况下,是采用并行数据传输方式,而这种传输方式对于超过10英尺的距离就不太适用了。这是由于可靠性和成本两方面的原因。因为在并行接口中存在着偏相和不对称的问题,这些问题对可靠性均有影响。
TTL输出高电平>2.4V,输出低电平<0.4v。>-2.0V,输入低电平<=0.8v,噪声容限是0.4v。<>
TTL电路是电流控制器件,TTL电路的速度快,传输延迟时间短(5-10ns),但是功耗大。
TTL器件输出低电平要小于0.8V,高电平要大于2.4V。输入,低于1.2V就认为是0,高于2.0就认为是1。
其他常见的TTL应用是四管单元TTL与非门,STTL和LSTTL电路,LSTTL等。
今天的分享就到这里啦,亿佰特人每一天都致力于更好的助力物联化、智能化、自动化的发展,提升资源利用率,更多产品更多资料,感兴趣的小伙伴可以登录我们的官网进行了解,还有客服在线答疑哦!
文章推荐:焦耳怎么偷盗电路?
7 X 24 销售服务热线
4000-330-990©© 成都亿佰特电子科技有限公司【版权所有】 蜀ICP备13019384号


