



以上图片是成都亿佰特科技有限公司基于SI4463射频芯片、SI4438射频芯片和SI4432射频芯片三款芯片设计的相关产品,上述列表是基于三款芯片方案的无线数传模块产品测试数据。

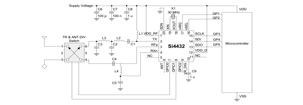
SI4432芯片:
SI4432芯片是一款高集成度的芯片,减少了外围器件的成本,同时简化了整个系统设计,其具有极低的接收灵敏度、+20dBm的功率输出、内置天线多样性、支持跳频以及价格低廉和通信距离远等市场优势。非常适用于天线尺寸比较限制或天线性能较低的方案中。
SI4432芯片是一款ISM无线收发器,可以在240~960MHz的频率范围内连续调谐。1.8V~3.6V的宽工作电压和低电流消耗,让其非常适合用在电池供电的方案中。
同时,SI4432芯片内部还集成了温度传感器,通用ADC和低电池电压检测器。

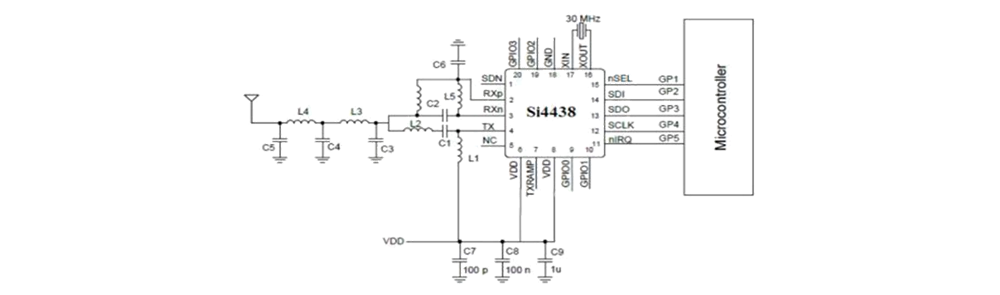
SI4438:
SI4438芯片是一款高性能,低电流,ISM无线收发器,1.8V~3.6V的宽电压供电范围和低功耗,非常适合于电池供电应用中。SI4438芯片内部集成有时分双工(TDD)收发器,以分组交替的形式进行发送和接收数据,杰出的-124dBm灵敏度,超高的+20dBm输出功率,实现了业界领先的144dB链路预算,实现了扩展和高度可靠的通信链路。
SI4438覆盖了425~525MHz频段,专门针对国内智能仪器市场,所以非常适合智能电表方案中。

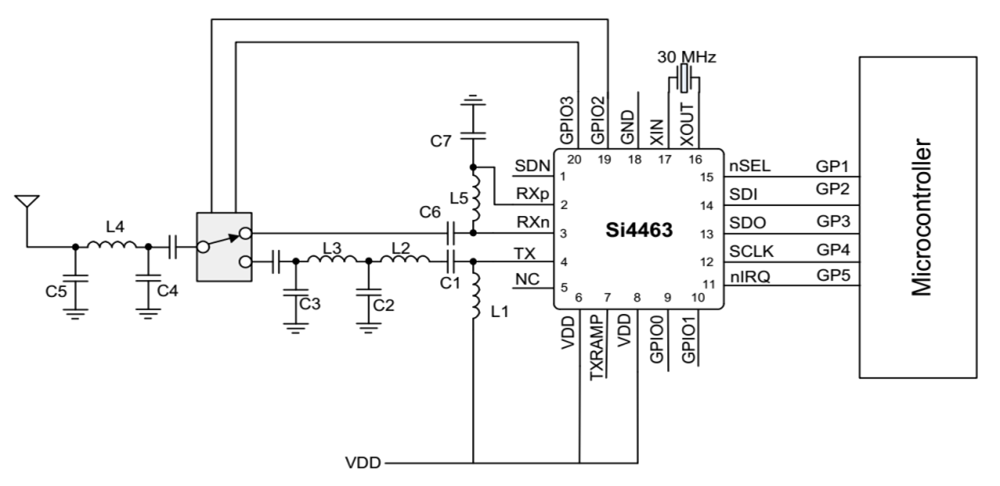
SI4463芯片:
相比来说,基于SI4463芯片方案的无线数传模块频率适用范围,灵敏度,接收电流等都要优于SI4438和SI4432,而且实际应用方案中,通信距离也要优于另外两款,当然相比来说价格会更高一些,所以SI4463比较适用于对性能要求更高的方案中。
今天的分享就到这里啦,亿佰特人每一天都致力于更好的助力物联化、智能化、自动化的发展,提升资源利用率,更多产品更多资料,感兴趣的小伙伴可以登录我们的官网进行了解,还有客服小姐姐在线答疑哦!
7 X 24 销售服务热线
4000-330-990©© 成都亿佰特电子科技有限公司【版权所有】 蜀ICP备13019384号


