

成都亿佰特电子科技有限公司的E28-2G4M12S无线模块是基于Semtech公司SX1281研发的LORA无线模块,此芯片包含多样的物理层以及多种调制方式,如LORA,FLRC,GFSK。特殊的调制和处理方式使得LORA和FLRC调制的传输距离大大增加;是一款高性能物联网无线收发器,并可以兼容蓝牙协议。出色的低功耗性能、片上DC-DC和Time-of-flight使得此芯片功能强大,可用于智能家居、安全系统、定位追踪、穿戴设备、智能手环与健康管理等等。SX1281芯片方案支持RSSI,用户可以根据需要实现深度的二次开发;SX1281亦集成飞行时间(timeofflight)。
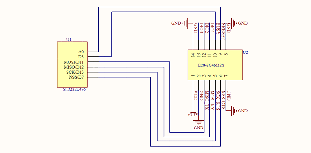
E28系列LORA模块产品为硬件平台,无法独立使用,用户需要进行二次开发。在此我们只介绍如何实现简单的LORA模式通信的操作方法。首先我们选用ST的STM32L476RG单片机开发板来实现。

连接模块,连接图如下:

今天的分享就到这里啦,EBYTE每一天都致力于更好的助力物联化、智能化、自动化的发展,提升资源利用率,更多LoRa模块等无线数传模块产品资料,感兴趣的小伙伴可以登录我们的亿佰特官网和企业公众号(微信号:cdebyte)进行了解,也可以直接拨打400电话咨询技术专员!
相关阅读:
7 X 24 销售服务热线
4000-330-990©© 成都亿佰特电子科技有限公司【版权所有】 蜀ICP备13019384号



