

电子电路设计中,常用的滤波器主要分为高通滤波器、低通滤波器、带阻滤波器、带通滤波器,而这四种滤波器又统称为有源滤波器。下面单独谈一下这个高通滤波器的工作原理与运用。
高通滤波器的特性:允许通过高频信号,衰减低频信号。如下图所示,当信号处于低频段的时候幅频特性如下:
高通滤波器的原理解释完之后,我们再看下面的微分电路:

同之前分析低通滤波器一样,如图分析上面的微分电路,学习电路知识的我们知道,于积分电路而言,时间常数T 是大于输入信号的脉冲宽度的;反之,对于微分电路,时间常数T是远远小于输入信号宽度的。
从电路分析,当一个输入信号冲出瞬间,由于电容两端电压不能突变,此时就可以把电容看成一个短路,流过的脉冲全部留到了电阻上,电阻的电压也就变得最大,但是对于微分电路来说,因为时间常数远小于输入信号的脉冲宽度,所以很快电容就开始充电,由于电容两端的电压不能马上突变,所以电容还在充电,这时候电容充电满了,充满之后,电容就成了开路状态(同时Uout 也是 0),也就是断开了输入,这时输入脉冲就会断开消失,而变成开路的结果就是没有电流流过电阻,电阻上面就没有电压,就是相当于输入端接地。
观察电压的输入极性,左边是正右边是负,那么这个时候电阻上的电压还是最大,只不过变成了最大的负电压。这个时候开始放电,放电的同时电容两端的电压不能突变,那么这个时候,电阻上的电压还是最大,然后快速放电(由于时间T 很小),放完之后,等待下一次的脉冲过来,此时 Uout 还是 0。

简单总结一下:微分电路其实就是通过电容不能突变的特性,让脉冲不断产生尖波,从而求出输入信号的突变成分,也就是通过改变电容和电阻阻值,来获得某一频率范围下的信号,通过一系列的尖波突变,可以知道Uin 输入的大小不变,所以结论就是:微分电路无输出。
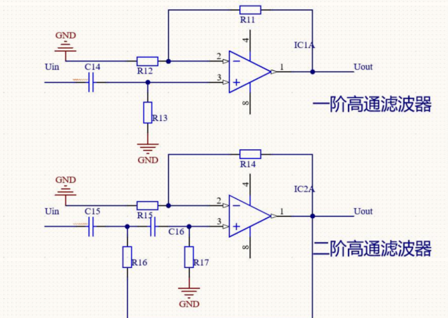
同样,在弄清楚微分电路之后,再看高频滤波器电路就会一目了然,下面是小编绘制的两个高通滤波器电路:一阶高通滤波器和二阶高通滤波器。
Aup=1+(R11/R12),F0=1/(2πR6C3),二阶也是对于增加性而增加的正反馈引入。
相关阅读:
7 X 24 销售服务热线
4000-330-990©© 成都亿佰特电子科技有限公司【版权所有】 蜀ICP备13019384号


