

常见的运放应用电路有同相比例放大器、电压跟随器、反相比例运算放大器、加法器、减法器、积分器等。运放的特点有输入阻抗趋近于无穷大,输出阻抗趋近于零,当工作在线性区时,利用虚断和虚短解析电路,非线性区可以应用在电压比较器上。
运算放大器指的是可以进行数学运算的电路,并且具有放大功能,对输入信号进行放大。运算放大器可以简称为OPA,电路符号表示如下:

运算放大器电路符号
虚短和虚断引入的前提是运放工作在线性区。虚短指的是同相输入端和反相输入端相当于短在一起,此时电压相等。运放的输入阻抗极大,电流达到uA级别,与开路相似,被称作为虚断。在下面的电路中,主要从虚短和虚断分析。
虚短:V+=V-
虚断I-=0
V-=V+=(R1*(R1+R2))*VOUT
即:VOUT=V+*(1+(R1/R2))

同相比例放大器
由同相比例放大器VOUT=V+(1+(R1/R2)),当R2趋近于无穷大,输出和输入同大小,被称作为电压跟随器。

电压跟随器
虚短:V+=V-=0
虚断I-=0=I+
VIN/R1=-VOUT/R2
即:VOUT=-VIN(R2/R1),这里要注意运放供电的GND端应该接正电源。

反相比例放大器

输入输出信号对比
虚短:V+=V-;
虚断:V+=0;即 V+=V-=0’
通过流进结点的电流等于流出结点的电流可得如下:
(VS1-0)R1+(VS2-0)R2=(0-UO)/RF;当这3颗电阻相等时,R1+R2=-UO;UO前面的符号可以通过在加法器后面放一级反相器既可以实现加法。

加法器
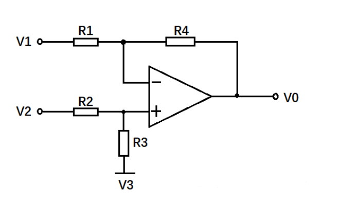
短路:V+=V- 即(V2-V3)(R3/(R2+R3))=(V1-VO)(R1/(R1+R4))
当R1=R4,R2=R3,(V2-V3)/2=(V1-VO)/2 可得 V1-V2=V0这是减法器公式推导。

减法器
积分电路可以实现对不同的输入信号进行积分运算,从而实现波形的变换,方波积分运算后可以变成三角波。推导如下:
根据能量守恒定律,输出电流和输入电流相等,通过R电流和电容的电流相等,可推出VO=(-(R1*C1))∫V1dt 通过输入电压在一定时间内积分获得输出电压。

积分电路
前文介绍了运放电路的两个主要概念:虚短和虚断。也简单的介绍了集成运放及典型运放电路,构成信号运算和处理电路的核心器件就是集成运算放大器,所以,学好它们的每一个运放特性在以后的电路设计中都至关重要。
今天的分享就到这里啦,EBYTE人每一天都致力于更好的助力物联化、智能化、自动化的发展,提升资源利用率,更多产品更多资料,感兴趣的小伙伴可以登录我们的亿佰特官网进行了解,还有客服在线答疑哦!
7 X 24 销售服务热线
4000-330-990©© 成都亿佰特电子科技有限公司【版权所有】 蜀ICP备13019384号


