

二极管和三极管都是都是半导体器件,前文介绍了什么是三极管及三极管的工作原理和分类详解的文章,虽然二极管是简单的元件,但是二极管有着广泛的用途。几乎每个电路中都会用到二极管。二极管可以用于小信号数字逻辑以及高压电源转换电路的任何领域,那么二极管具体的应用场景有哪些?

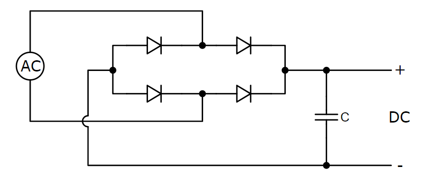
整流器是将交流电(AC)转换为直流电(DC)的电路。这种转换对于各种家用电子产品至关重要。交流电信号来自于市电,但大多数计算机和其他微电子设备都是采用直流电源进行供电。
交流电路中的电流实际上是交替变化的,即电流在正方向和负方向之间快速切换,但是直流信号中的电流仅在一个方向上运行。因此,我们要将交流电转换为直流电,我们需要保证电流不能沿负方向流动即可。
半波整流器可以仅由单个二极管制成,通过半波整流器,我们能够削除负信号。
全波桥式整流器使用四个二极管将交流信号中的负信号转换为正信号。
为了防止电源反接,我们会在电源正极串联的二极管,这就是我们说的反向保护二极管。它能够保证电流只能沿正方向流动。
由于二极管有正向压降,会损失一部分电压,而肖特基二极管的压降小于其他二极管,所以我们常用肖特基二极管作反向保护二极管使用。

二极管也可以用来搭建逻辑门,比如“与”或“或”这些简单的数字逻辑门。例如,我们使用两个共阴极的二极管搭建或门电路,逻辑电路的输出也处于阴极的位置是,当我们输入引脚中其中一个或两个输入为逻辑 1,输出也将变为逻辑1。当两个输入引脚的输入均为逻辑 0时,输出通过电阻拉低。
二极管还可以很好地用作敏感电子元件的保护器件。当我们把二极管用作电压保护器件时,二极管在正常工作条件下不导通,当电压超过安全电压时会立即将任何高压尖峰短路至地,把浪涌电压接至地面,从而不会损坏我们的电路。瞬态电压抑制二极管(TVS)专为过压保护而设计,可以在短时间内处理非常大的功率尖峰。
发光二极管可以用来制作LED灯。

太阳能电池或光伏电池是将太阳能转化为电能的能源。每个太阳能电池都由二极管制成,当光线照射到其结点时会产生电压。

稳压电路是一种无论输入电压或负载电流如何变化都能在负载上保持恒定输出电压。齐纳二极管可以调节输出负载电压,因为无论输入电压或负载电阻如何,它都能够生成相同的电压。齐纳二极管可针对变化的输入未稳压电压产生低纹波的稳定输出电压。

钳位是指将某个点位的电位限制在规定电位范围的措施。通过钳位电路可以将电信号钳制到我们想要的范围,可以拉高或降低电信号的基准。


今天的分享就到这里啦,EBYTE每一天都致力于更好的助力物联化、智能化、自动化的发展,提升资源利用率,更多产品更多资料,感兴趣的小伙伴可以登录我们的亿佰特官网和企业公众号(微信号:cdebyte)进行了解,也可以直接拨打400电话咨询技术专员!
7 X 24 销售服务热线
4000-330-990©© 成都亿佰特电子科技有限公司【版权所有】 蜀ICP备13019384号


