

电容是一种电子元件,主要用于以电荷形式存储能量。电容的内部结构由两块金属板组成,这两块金属板平行放置,并由电介质隔开。制造电容的制造材料包括导电金属,例如钽、铝等,而介电材料包括空气、真空、陶瓷、纸、塑料等。根据应用类型、电荷存储能力以及电介质材料,电容可以细分为多个类别,例如固定电容、可变电容、极化电容、非极化电容、电解电容、纸质电容、钽电容、陶瓷电容。
类型 | 特点 |
铝电解电容 | 该电容由铝和另一种金属制成。氧化膜被用作介电材料,在铝的表面上形成来阻挡电。这种类型的电容成本较低。 |
钽电容 | 在该电容中,钽用作阳极,五氧化二钽用作介电材料。尽管比铝电解电容小,但它具有相对较大的电容。此外,该电容在漏电流特性、频率特性、电容和温度特性方面优于铝电容。 |
双电层电容 | 这些电容具有极大的电容量,比铝电解电容大1000倍至10000倍以上,是一种新型的储能器件。双电层电容比其他电容更昂贵。 |
陶瓷电容 | 根据用作介电材料的陶瓷类型,其特点是体积小、耐热。但是陶瓷电容很脆弱,很容易碎裂或破裂。 |
薄膜电容 | 在该电容中,使用聚酯和聚乙烯等薄膜作为电介质材料。将聚酯、聚丙烯等薄膜夹在两侧的电极箔之间,卷绕成圆筒状。具有高度可靠性,并具有出色的频率和温度特性。 |
云母电容 | 该电容采用天然矿物云母作为介电材料云母电容具有绝缘电阻高、介电损耗角正切、频率和温度特性良好等优良特性。 |
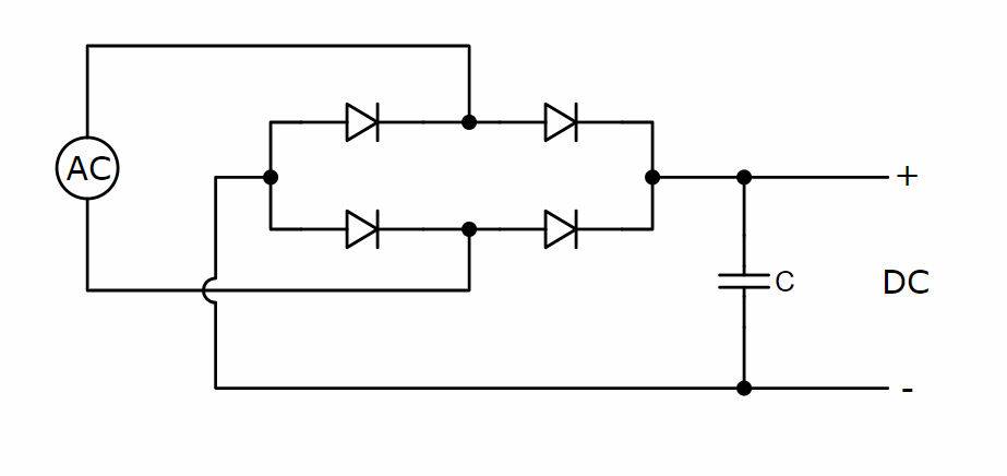
交流到直流转换器几乎用于所有电子产品和电路,包括手机、计算机、充电器、电视、工业机器、消费电子产品等。交流到直流转换器通常涉及通过以下方式将脉动信号转换为稳定信号:
调谐电路是大多数模拟电子设备组成部分。它们主要用于处理放大值或频率调整操作的内部电路使用电容和电感器。
顾名思义,安全保护电路通常用于设备的内部电路中,以保护该设备稳定工作。为此,安全电路通常使用电容,此类电容通常称为安全电容,大多数安全电容的工作原理很简单,安全电容在特定的交流信号频率值下产生的容抗有助于确定工作电流最大值的限制。
耦合是电路中流动的电信号从电路的一个部分传递到另一部分的过程。去耦指去除电源管脚上的噪声,去耦隔离电子电路的不同部分,并消除电路中的噪声。
电容的主要应用之一在于信号滤波。信号滤波过程意味着从原始输入信号中去除纹波和尖峰,并生成平滑的信号作为输出。
今天的分享就到这里啦,EBYTE每一天都致力于更好的助力物联化、智能化、自动化的发展,提升资源利用率,更多无线数传模块产品和无线技术资料,感兴趣的小伙伴可以登录我们的亿佰特官网和企业公众号(微信号:cdebyte)进行了解,也可以直接拨打400电话咨询技术专员!
相关阅读:
7 X 24 销售服务热线
4000-330-990©© 成都亿佰特电子科技有限公司【版权所有】 蜀ICP备13019384号


