

M31系列分布式IO主机扩展模块支持Modbus TCP协议和Modbus RTU协议进行采集控制。该分布式远程IO模块具有分布式远程IO模块、模拟量数字量采集、任意搭配扩展模块、远程采集控制模块等功能。本文小编会介绍该分布式IO主机扩展模块快速应用及配置教程,实验步骤如下:
【注】本实验需要通过默认出厂参数进行。
下表为本次测试所需材料:

注:RS485总线高频信号传输时,信号波长相对传输线较短,信号在传输线终端会形成反射波,干扰原信号,所以需要在传输线末端加终端电阻,使信号到达传输线末端后不反射。终端电阻应该与通讯电缆的阻抗相同,典型值为 120 欧姆.其作用是匹配总线阻抗,提高数据通信的抗干扰性及可靠行。

注:AI 与相邻线框框选的 COM 端一起使用。

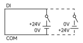
注:DI 仅支持 12V~24V 输入。

注:1.单个继电器最大支持 5A。
2.每组(同一个 COM 公共端)电流总和最大支持 8A。

接线:电脑通过USB 转 RS485 连接 M31-AAAX4440G 的 RS485 接口,A 接 A,B 接 B。
联网:网线插入RJ45 口与 PC 连接。
供电:使用DC-12V 开关电源(DC 9~36V)为 M31-AAAX4440G 供电。
第一步:修改电脑的IP 地址与设备保持一致,在这里我修改为 192.168.3.100 保证与设备处于同一网段并保证 IP 不同,经过以上步骤若无法连接设备请关闭防火墙再次尝试;

第二步:打开网络助手,选择TCP 客户端,输入远程主机 IP192.168.3.7(默认参数),输入端口号502(默认参数),选择 HEX 发送。

使用网络助手控制M31-AAAX4440G 的第一路 DO 输出。

通过下表指令可以测试其他功能。

使用串口助手控制M31-AAAX4440G 的第一路 DO 输出。

通过下表指令可以测试其他功能。

第一步: 上位机连接设备
(1)可通过选择接口(串口/网口),对设备进行配置;若选择网口,则要先选择网卡后,进行搜索设备。

(2)若选择串口,则要选择对应的串口号,以及与设备相同的波特率、数据位、停止位、校验位和地址段搜索范围,然后进行搜索。

第二步: 选择对应的设备,可以对相应的 IO 进行操作。

第一步: 连接设备参考“连接与控制”
第二步: 可以配置设备的基本参数、网络参数

第三步: 配置好参数以后,点击保存参数,在日志输出中看见提示信息为参数保存成功后,设备会自动重启,重启完成后,所修改的参数生效。

本次测试教程就到这里了,有想了解M31系列分布式IO模块的功能简介的小伙伴,可以参考前文或者可以查阅M31系列产品手册及产品详情页,产品系列功能一致,主要就针对不同客户需求细化端口,可按照实际场景需求配置。
今天的分享就到这里啦,EBYTE每一天都致力于更好的助力物联化、智能化、自动化的发展,提升资源利用率,更多产品更多资料,感兴趣的小伙伴可以登录我们的亿佰特官网和企业公众号(微信号:cdebyte)进行了解,也可以直接拨打400电话咨询技术专员!
相关阅读:
7 X 24 销售服务热线
4000-330-990©© 成都亿佰特电子科技有限公司【版权所有】 蜀ICP备13019384号


