

我司近期上市了的CAN转RS485串口协议转换设备ECAN-101,集成1路CAN-BUS接口、1路RS485接口,可实现CAN与RS485不同协议数据之间的双向转换。该产品支持串口AT指令配置以及上位机配置设备参数和工作模式,支持透明转换模式、透明带标识转换、协议转换模式、Modbus RTU转换、自定义(user)等五种数据转换模式,在MODBUS模式下,能够起到单路CAN接口替代多路485线的作用。同时,ECAN-101智能协议转换器具有体积小巧、方便安装等特点,在CAN-BUS类产品开发、数据分析应用中具有极高的性价比,是工程应用、项目调试及产品开发的可靠助手。本文主要介绍该CAN转设备的快速入门配置教程。配置步骤如下:
硬件准备:USB转RS485转换器*1、电源*1(推荐DC 12V供电)、电脑*1、USB转CAN设备*1(推荐ECAN-U01)

软件准备:可在ECAN-101官网产品“相关下载”中下载“串口助手(X-COM)”、配置上位机
这里以本设备搭配CAN转USB转换设备ECAN-U01(CAN分析仪)为例,演示快速入门使用。

首先使用USB转RS485转换器连接本设备与电脑,转换器的RS485_A、RS485_B对应连接设备的RS485_A、RS485_B;转换器USB端与电脑直连;
其次使用CAN分析仪ECAN-U01连接本设备与电脑;ECAN-U01的CAN端接设备CAN端,CAN-L接CAN-L,CAN-H接CAN-H。ECAN-U01的USB端与电脑直连。
注意:第一次使用USB转RS485转换器,需要安装软件和驱动,详细使用方法请咨询相关厂家。


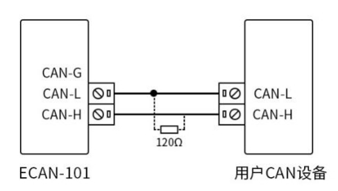
直线型拓扑结构是CAN总线布线规范中最为常用的。即主干的两条线上分支出支线到各个节点。主干的两端配置合适的终端电阻实现阻抗匹配(2km 内通常为120 欧)。
(按照ISO 11898规范,为了增强CAN-bus 通讯的可靠性,CAN-bus 总线网络的两个端点 通常要加入终端匹配电阻(120Ω)。终端匹配电阻的大小由传输电缆的特性 阻抗所决定,例如,双绞线的特性阻抗为120Ω,则总线上的两个端点也应集成120Ω终端电阻。)
按照上述方式,接好线后,给所有设备上电。
电脑打开串口调试助手,选择设备串口所用的串口号(进入软件后,选择连接到CAN转设备ECAN-101的RS485串口号,点击“连接设备”即可建 立连接。如用户不知道串口号,可通过进入 PC 机的设备管理器中查看。),并将串口参数设置为设备默认参数(波特率115200,8数据位,无校验位,1停止位);

打开ECAN-U01调试上位机,设置CAN波特率为100K(ECAN-101默认出厂CAN波特率);

经过以上步骤,可开始透传转换调试:
首先进行CAN帧转换为串行帧:
CAN调试器(ECAN-U01)发送数据:帧ID:0x0123,数据域:99 88 77 66 55 44 33 22,设备CAN端接收下方CAN调试器(ECAN-U01)发送的数据,可看到串口助手上显示RS485接口转发的CAN数据(16进制显示):99 88 77 66 55 44 33 22。

串行帧转化为CAN帧:
从串口调试助手以16进制发送数据:11 22 33 44 55 66 77 88,设备CAN端转换出的数据,可在下方CAN调试器(ECAN-U01)显示,数据为:11 22 33 44 55 66 77 88,帧ID:0x0000,标准帧。

从上述调试操作中,可看到设备实现了串行帧与CAN帧的透明转换。
CAN转设备ECAN-101可通过AT指令或者上位机配置设备参数,这里简单介绍一下上位机配置的使用方法。
1.更改设备参数可打开ECAN-101配置上位机,选择默认串口参数(波特率115200,8数据位,无校验位,1停止位),点击打开串口。

2.点击“连接设备”,设备进入配置模式并读取参数

3.可根据不同应用场景来更改设备“串口参数设置”、“CAN总线设置”、“转换方向”、“转换模式”、“设备过滤设置”等参数,修改参数后点击“写入配置”并“重启设备”后参数生效。

串口参数设置:此部分设置是串口参数设置,分为“波特率”、“检验位”、“停止位”,波特率范围有:600,1200,2400,4800,9600,14400,19200,38400,43000,57600, 76800, 115200, 128000, 230400, 256000,460800 单位:bps;检验位:奇校验(ODD)、偶校验(EVEN)、无校验(NONE);停止位:1、2。

CAN总线设置:此部分设置是CAN部分设置,分为“CAN波特率”、“帧类别”、“帧ID”,CAN波特率范围:6K,10K,20K,50K,100K,120K,125K,150K,200K,250K, 400K, 500K, 600K, 750K, 1000K 单位:bps,如设置的波特率与设备接入模块的总线波特率不一致时,将无法正常通信转换。帧类别:NDTF(标准帧),EDTF(扩展帧),帧ID: 0~7FF(标准帧) , 0~1FFFFFFF(扩展帧)

CAN转设备协议转换模式:分为五种,TRANS(透明), TPRTL(透明带标识), PROTOL(协议模式), USER(自定义协议),MODBUS(MODBUS),每种模式协议规则不一样,详情见第五章描述。

设备过滤设置:分为四种过滤方式,1:接收所有数据 2.只接收扩展帧 3.只接收标准帧 4.用户自定义。
前三种只用选择配置即可,最后一种用户自定义过滤可以添加14组自定义ID过滤。点击“添加信息”,在左侧信息框内添加想要的滤波ID,然后点击“写入”即可。

今天的分享就到这里啦,EBYTE每一天都致力于更好的助力物联化、智能化、自动化的发展,提升资源利用率,更多产品更多资料,感兴趣的小伙伴可以登录我们的亿佰特官网和企业公众号(微信号:cdebyte)进行了解,也可以直接拨打400电话咨询技术专员!
7 X 24 销售服务热线
4000-330-990©© 成都亿佰特电子科技有限公司【版权所有】 蜀ICP备13019384号


