

CAN总线在物理层采用的就是差分双绞线传输信号,因此在一定程度上就有抑制共模干扰的能力。但是光靠差分信号和双绞线抑制干扰总有限度,在某些极端情况(雷击)下也可能出现不稳定的情况。
因此提高CAN总线的抗干扰能力可以使用提高抗共模干扰和差模干扰的方法。
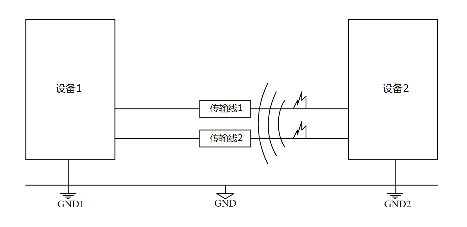
1. 外界强电磁环境对双绞线的同时感应;

2. 两方通讯设备并不等电位;

3. 双绞线与大地存在比较高的电位差。

常见的差模干扰即在回路种存在的电压尖峰,电位跳动。
围绕着上面四点我们就有了提高CAN总线抗干扰的应对方案:
针对第一种共模干扰:为了避免外界强电磁环境对传输线感应出超过幅值要求的电压,我们可以采用带屏蔽层的双绞线,在金属屏蔽层的保护下,大部分的高频电磁波会被感应成涡流,从而使得大部分电磁波能量转化为热量而不是感应成电压随传输线传播。

针对第二种共模干扰:采用CAN总线的两方通讯设备一般距离都比较远,因此两方的接地点极有可能存在电位差,为了减小两方的电位差带来的影响,我们可以使得两方的电位相等,具体做法就是使用上述的传输线屏蔽层将两方连接起来,这样为已经产生了的电势差产生的电流提供了一个低阻抗的通路使得两方的电位能快速地平衡。
针对第三种共模干扰:在采用了带屏蔽层的双绞线之后,传输线相对于大地的电势也是比较高的,这种情况我们可以将屏蔽层的地接在两端机壳,并且做好两边机壳的接地,保证两边设备良好的接地,这样将大部分干扰电流尽可能快地导入大地。
最后,针对差模干扰,我们常见的保护电路有TVS钳位电路,旁路滤波电容,气体放电管等,可以使尖峰过充等被上述器件提供的旁路泄放到地,从而保证传输线上的峰值干扰控制在安全范围内。同时还可以增加ESD防护器件亦可起到静电防护作用。
今天的分享就到这里啦,EBYTE每一天都致力于更好的助力物联化、智能化、自动化的发展,提升资源利用率,更多串口服务器、数传电台、lora无线模块等产品更多资料,感兴趣的小伙伴可以登录我们的亿佰特官网和企业公众号(微信号:cdebyte)进行了解,也可以直接拨打400电话咨询技术专员!
7 X 24 销售服务热线
4000-330-990©© 成都亿佰特电子科技有限公司【版权所有】 蜀ICP备13019384号


