

RS-485是一种常用的数据通信协议,RS485协议广泛应用于工业控制系统、楼宇自动化、安防系统等领域。在某些应用中,为了防止电气噪声干扰或电气冲击,需要对RS485接口进行隔离。

想要做到RS485电路上的隔离需要采用隔离器件,如光耦隔离器、磁隔离器等。具体实现步骤如下:
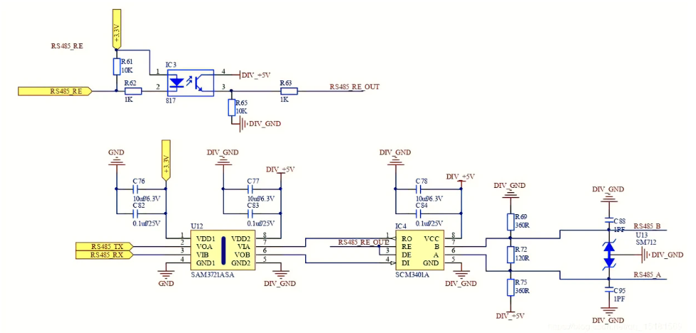
使用隔离器:首先,需要选择一款适合的隔离器。常见的RS-485隔离器有ADI的ADM2483、TI的ISO3082等。这些隔离器通常集成了RS-485收发器和隔离电源,可以提供高达2500V的隔离电压。

电源设计:隔离器需要两个独立的电源,一个用于隔离前的电路(如MCU),一个用于隔离后的电路(如RS485总线)。隔离电源可以使用隔离型DC-DC转换器来实现。
接口设计:RS-485接口通常需要一个120欧姆的终端电阻,用于抑制信号反射。此外,还可以添加TVS二极管和磁珠,用于防止静电放电和滤除高频噪声。
布线设计:为了减少电磁干扰,RS-485的A、B线应该尽可能地走在一起,且尽量远离高速或高电流的信号线。
软件设计:在软件中,需要正确设置RS-485收发器的工作模式(如半双工和全双工),并根据需要设置数据速率、数据位、停止位和校验位。
我们需要注意的是,具体的设计可能还需要根据实际的应用需求和环境条件进行调整。同时还需要注意隔离器件的选型和质量,确保隔离电路的稳定性和可靠性。
提高通信的可靠性和稳定性:隔离电路可以防止电气噪声和电气冲击对系统造成干扰,从而提高系统的可靠性和稳定性。
保护设备安全:隔离电路可以防止高电压冲击对设备造成损坏,从而保护设备的安全。
提高信号质量:隔离电路可以减少信号传输过程中的干扰,从而提高信号的质量。
扩展系统距离:RS-485接口可以支持长距离的数据传输,而隔离电路可以进一步扩展这个距离。
提高系统灵活性:隔离电路可以使得系统在设计和布局上更加灵活,可以根据需要将设备放置在不同的位置。
兼容性好:RS-485隔离电路方案可以与各种设备和系统兼容,方便系统的集成和扩展。
防止地环路:隔离电路可以防止地环路的产生,从而避免因地环路引起的电流过大而损坏设备。
从我们安全性的角度来说RS-485隔离电路方案可以提高系统的可靠性、安全性和灵活性,是工业控制系统、楼宇自动化、安防系统等领域的理想选择。
今天的分享就到这里啦,EBYTE每一天都致力于更好的助力物联化、智能化、自动化的发展,提升资源利用率,更多串口服务器、数传电台、lora无线模块等产品更多资料,感兴趣的小伙伴可以登录我们的亿佰特官网和企业公众号(微信号:cdebyte)进行了解,也可以直接拨打400电话咨询技术专员!
7 X 24 销售服务热线
4000-330-990©© 成都亿佰特电子科技有限公司【版权所有】 蜀ICP备13019384号


