

晶体管构成的门电路,被称为TTL门电路。TTL门电路有非门、与非门、或非门等,今天来介绍常用的与非门电路。

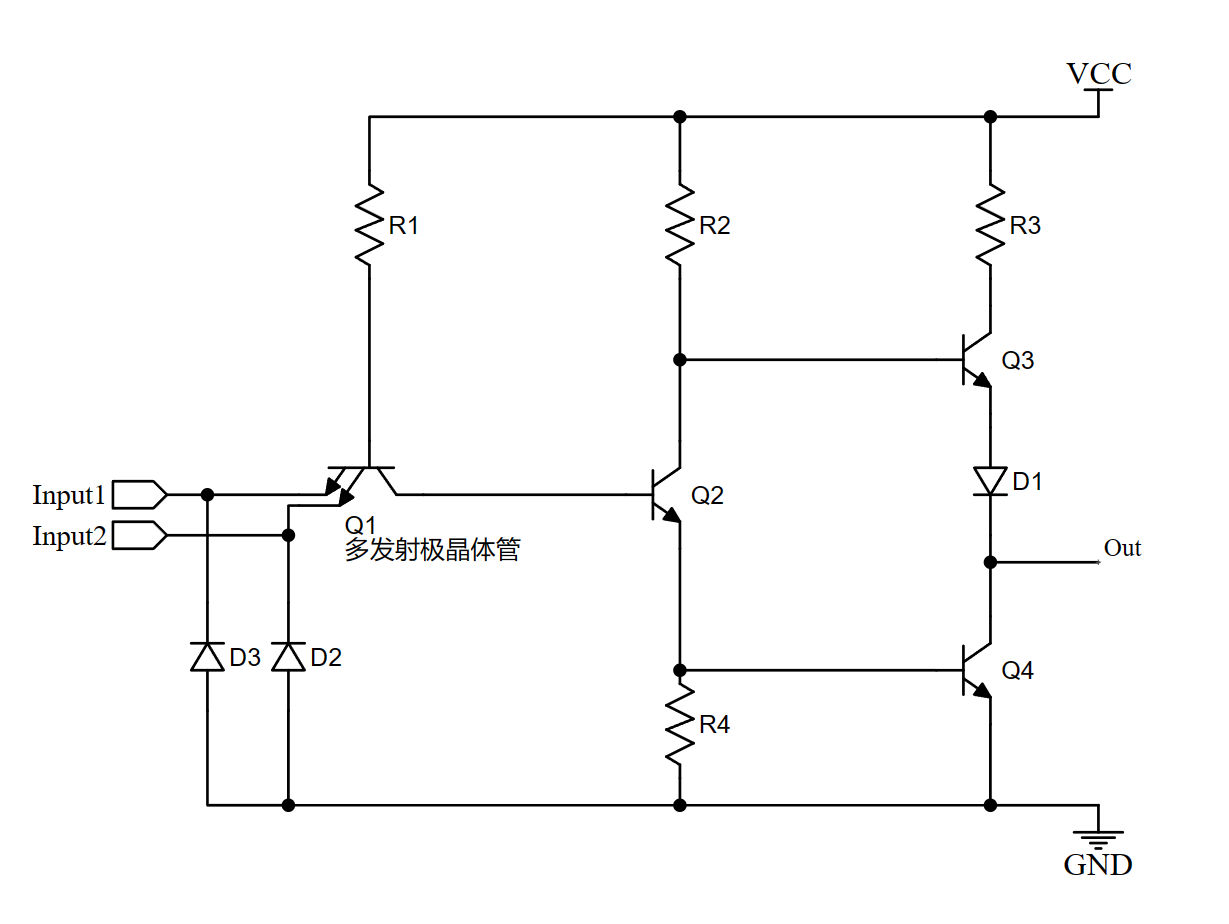
Q1:多发射极晶体管,每个输入端连接到一个发射极。R1:上拉电阻,提供基极电流。
Q2:倒相放大器,将输入信号反相并放大。Q3:推挽输出级,提供驱动能力。
典型与非门电路是由Q1输入级、Q2中间级以及Q3、Q4输出级组成。
输入级:当所有输入均为高电平时(逻辑1),Q1的所有发射极都处于导通状态,导致Q1的集电极电压降低,不足以使Q2导通。当任何一个输入为低电平(逻辑0)时,对应的发射极截止,Q1的集电极电压升高,足以使Q2导通。
中间级:Q2作为倒相放大器,当Q1的集电极电压升高时,Q2导通,其集电极电压降低。当Q1的集电极电压降低时,Q2截止,其集电极电压升高。
输出级:Q3作为推挽输出级,当Q2导通时,Q3也导通,输出为低电平(逻辑0)。当Q2截止时,Q3也截止,输出为高电平(逻辑1)。
今天的分享就到这里啦,EBYTE每一天都致力于更好的助力物联化、智能化、自动化的发展,提升资源利用率,更多串口服务器、数传电台、lora模块等无线数传模块产品更多资料,感兴趣的小伙伴可以登录我们的亿佰特官网进行了解,也可以直接拨打400电话咨询技术专员!
相关阅读:
7 X 24 销售服务热线
4000-330-990©© 成都亿佰特电子科技有限公司【版权所有】 蜀ICP备13019384号


