

MOS管由于开关特性好,常用在需要电子开关的电路中。今天给大家介绍常见的一些MOS管驱动电路。
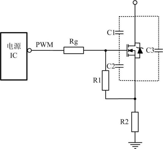
电源IC直接驱动是最常用和最简单的驱动方式。使用这种驱动方式,需要注意电源IC手册的最大驱动峰值电流和MOS管的寄生电容,寄生电容越小越好。如果电源IC没有比较大的驱动峰值电流,MOS管导通的速度会受到很大影响。

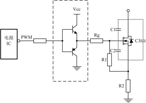
当选择MOS管寄生电容比较大,电源IC内部驱动能力不足时,可以采用推挽驱动。常使用图腾柱电路增加电源IC驱动能力,一般应用在电源IC的驱动能力较弱的电路上。另外,图腾柱电路也有加快关断的作用。

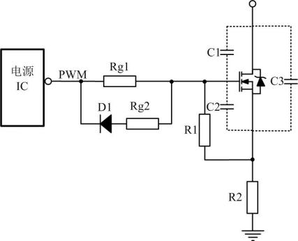
MOS管一般都是慢开快关。在关断瞬间驱动电路能提供一个尽可能低阻抗的通路供MOSFET栅源极间电容电压快速泄放,保证开关管能快速关断。

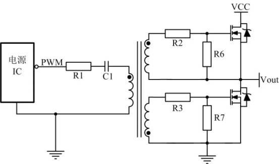
为了满足高端MOS管的驱动或是满足安全隔离,经常会采用变压器驱动。画面中使用的R1目的是抑制PCB板上寄生的电感与C1形成LC振荡,C1的目的是通过交流,隔开直流,同时也能防止磁芯饱和。

今天的分享就到这里啦,EBYTE每一天都致力于更好的助力物联化、智能化、自动化的发展,提升资源利用率,更多串口服务器、数传电台、lora模块等无线数传模块产品更多资料,感兴趣的小伙伴可以登录我们的亿佰特官网进行了解,也可以直接拨打400电话咨询技术专员!
相关阅读:
7 X 24 销售服务热线
4000-330-990©© 成都亿佰特电子科技有限公司【版权所有】 蜀ICP备13019384号


