


成都亿佰特电子科技有限公司是一家致力于自主研发和客户定制需求的创新型公司,基于SI4463芯片研发的一系列针对智能电网无线应用的产品,对于不同的客户需求和通信距离选择,开发出了一系列包括不同频段、不同封装形式、不同接口形式和不同功率等级的相关产品。同时还支持根据客户需求进行全方位定制。
智能电网简而易言就是传统电力系统与信息技术的结合,将电网的各种参数通过各类相关传感器的实时采集,结合电力设备标准参数,通过无线通信形式上传后进行统计、分析、对比,达到对电网的自动化监测,中国电网也正在通过快速和基础性升级来实现智能电网,初始化转型就是从民用和商用开始部署智能电表。

Silicon Labs是一家注重智能能源的公司,并率先针对中国智能电网市场打造了一款EZRadioPRO无线收发器,该产品具有低成本高性能优点,而且满足中国对于470—510MHz频段智能电表市场规定。SI4463便是其系列中最具代表性的一款产品,该产品是一款覆盖142MHz——1050MHz频段的高性能、低电流ISM无线收发器,根据成都亿佰特关于该类产品实际测试,其具有突出-121dBm(433MHz)接收灵敏度,接收电流仅为16mA,休眠电流更是只有4uA,非常适合智能电表应用中。

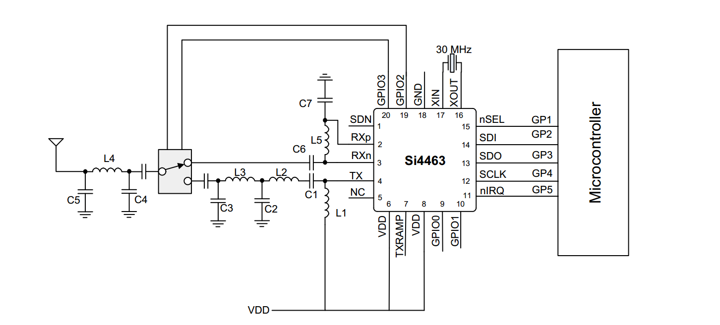
上图为SI4463单天线射频开关应用图,其具有1.8V-3.8V的宽供电电压范围和低电流消耗,因此非常适合应用于电池供电的应用方案中,SI4463作为时分双工(TDD)收发器工作,发送数据和接收数据需要交替进行,使用转换混频器将调制的接收信号变频至中频频率,通过可编程增益放大器后,信号使用高性能ADC转换为数字量,其内置的DSP已经将滤波,解调,限幅,和数据包都已处理,从而提高了其接收的性能和灵活性,才可以拥有-126dBm的超高灵敏度。
SI4463单片机芯片内部包含一个功率放大器,可以以非常高的效率输出+20dBm功率,当输出频率为169MHz时发射电流仅为70mA,915MHz时发射电流仅为85mA,并具有极低的待机电流和快速唤醒时间,确保了在苛刻的应用程序中更长的电池寿命。将其与锂电池结合作为智能电网中作为测试点的不二之选,尤其是应用于水电气表中。

查看技术文章和免费咨询技术问题可以访问我司官网及各官方平台:
微信号:cdebyte
今日头条:亿佰特
新浪微博:成都亿佰特
成都亿佰特--物联网应用专家,随时在身边,时刻准备为您服务!
7 X 24 销售服务热线
4000-330-990©© 成都亿佰特电子科技有限公司【版权所有】 蜀ICP备13019384号


