

DDR 的全称是(Double Data Rate SDRAM )双倍速率的SDRAM,就是我们常说的内存颗粒,也就是内存芯片。

随着技术的发展,DDR经历了多轮技术迭代,发展出了DDR2、DDR3、DDR4、DDR5,从DDR到DDR5主要的区别是在于传输速率的不同,随着时钟周期的不断降低,传输速率也不断提高,详细参数如下所示:
DDR1:第一代DDR技术,数据速率为200 MT/s至400 MT/s。
DDR2:引入了更短的信号周期、更低的工作电压(1.8V)以及更高的数据速率(400 MT/s至800 MT/s)。
DDR3:进一步降低了工作电压(1.5V),并提升了数据速率(800 MT/s至2133 MT/s)。
DDR4:继续降低工作电压(1.2V),同时增加了最大容量和支持的速度范围(1600 MT/s至3200 MT/s以上)。
DDR5:最新的标准,提供了更高的带宽、更低的功耗和更大的内存密度。

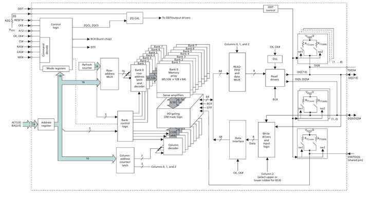
DDR内存模块上的引脚负责与系统控制器之间的通信。根据具体版本的不同,DDR接口包含多种类型的信号引脚,主要包括以下几类:
地址线(Address Lines, A0-Ax):用于指定要访问的存储单元位置。
控制线(Control Signals):
片选信号(Chip Select, CS#):激活或禁用特定的DDR芯片。
行地址选通(Row Address Strobe, RAS#):指示行地址的有效性。
列地址选通(Column Address Strobe, CAS#):指示列地址的有效性。
写使能(Write Enable, WE#):区分读取和写入操作。
时钟信号(Clock, CLK 和 CLK#):提供同步参考,其中CLK#为CLK的反相版本,用于差分时钟输入以提高时序精度。
数据线(Data Strobes, DQS 和 DQS#):标记数据传输的时间点,DQS用于上升沿采样,而DQS#则用于下降沿采样。
数据总线(Data Bus, DQ0-DQn):实际的数据传输路径。

多级缓冲区:DDR采用内部缓冲机制来优化读写操作之间的转换时间,减少延迟。
命令解码与控制逻辑:专门设计的电路负责解析来自控制器的指令并执行相应的动作,例如打开/关闭行、列寻址等。
自刷新功能:为了保持存储单元中的信息不丢失,DDR具备自动刷新的能力,即使在系统处于低功耗状态时也能维持数据完整性。
温度补偿自刷新:根据环境温度调整刷新频率,确保在高温环境下仍能可靠地保存数据。
片选信号(CS#):用于选择特定的DDR芯片进行操作,允许多个DDR模块共用同一套总线。
供电电压:不同代际的DDR有不同的工作电压要求,例如DDR3为1.5V,DDR4降到了1.2V,DDR5进一步降低到1.1V,以此来减少功耗并提升稳定性
DDR拓补结构,可以元器件布局,以下原则需要遵守:
原则一,考虑拓补结构,仔细查看CPU地址线的位置,使得地址线有利于相应的拓补结构;
原则二,地址线、控制线上的匹配电阻靠近CPU(发送端);
原则三,数据线上的匹配电阻靠近DDR;数据可以通过调节ODT 来实现,所以一般建议不用加电阻。
原则四,将DDR芯片摆放并旋转,使得DDR数据线尽量短,也就是,DDR芯片的数据引脚靠近CPU;
原则五,对于源端匹配电阻靠近CPU(驱动)放,而对于并联端接则靠近负载端。
原则六,如果有VTT端接电阻,将其摆放在地址线可以走到的最远的位置。一般来说,DDR2不需要VTT端接电阻,只有少数CPU需要;DDR3都需要VTT端接电阻。
原则七,DDR芯片的去耦电容放在靠近DDR芯片相应的引脚。
今天的分享就到这里啦,EBYTE每一天都致力于更好的助力物联化、智能化、自动化的发展,提升资源利用率,更多串口服务器、数传电台、lora模块等无线数传模块产品更多资料,感兴趣的小伙伴可以登录我们的亿佰特官网和企业公众号(微信号:cdebyte)进行了解,也可以直接拨打400电话咨询技术专员!
相关阅读:
7 X 24 销售服务热线
4000-330-990©© 成都亿佰特电子科技有限公司【版权所有】 蜀ICP备13019384号


