

DCDC降压电路指的是:将直流电压转换成为低电压的直流,在电路中的表现为输入电压经过DCDC降压电路后输出电压比输入电压的幅值小。DCDC降压电路的原理主要是通过控制内部开关的导通时间来做到降低电压。DCDC电压的应用场景主要在需要不同电压供电的设备,如:消费电子中常见的手机充电器、便携式电脑、手机。DCDC降压电路相比较LDO,转换效率更高,一般可高达百分之九十,发热量减少。DCDC电路根据反馈调制电压,输出电压稳定。DCDC电路的缺点是用到器件较多,引入了更多成本。

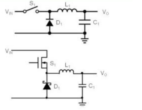
降压型DCDC电路
当开关S1闭合时,电流经过S1,电感L1,向负载供电,流向电源的负极,供电的同时,也在给电感充电,由于D1是二极管的单向导电性,此时二极管D1不会工作。电感的特性:电感是感性器件,由于自感电动势的存在会阻挡电流的增大或者减少,电感电流是渐变不是瞬变,电感L1上的电压为输入电压减去负载身上的电压等于L*(di/dton)。当S2关断时由于L1电感的器件的特性,电感的电流流向负载,再流向续流二极管,回到电感,构成回路。输出电压等于L*di/dtoff,这两个表达式相除可以得到VO/VIN=don/dff;得出输出小于等于输入电压。上图各个器件的作用:电容C1,稳定输入电压,电感L1用于存储或者传递能量到负载,电容C2平稳输出电压,二极管D1用于在L1放电时,构成续流回路。
DCDC电源芯片的规格书中,一般常见两种整流方式,同步整流和异步整流。整流的原理图如下:

异步降压电路
二极管具有单向导电性,硅管压降0.7V,锗管的压降0.3v左右,肖特基管的压降0.4v。

同步降压电路
由上图可以看出,同步和异步的区别在于:
功耗:同步降压电路续流电路中是电阻极低的mos管,异步降压电路是二极管,由于mos管的内阻小,决定了同步整流功耗低。
成本:mos管的价格比二极管贵,所以成本方面,同步降压电路不占优势。
带载:轻载时,同步整流的工作效果优于异步整流,异步整流的工作在不连续的模式时,会产生很大的谐波噪声。
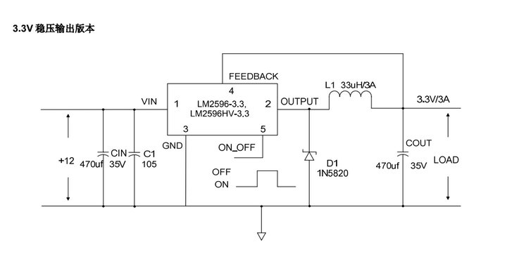
LM2596的典型降压应用图如下所示:

某芯片降压电路

某芯片升压电路
如何通过DCDC电源芯片外围快速判断出升压还是降压电路呢?上图中的switch引脚如果外部接到电感,那么是一个buck电路,如果外部是一个二极管,那么大概路是一个buck电路。那外部电感应该怎么选择呢?一般降压电路中电感的大小的公式如下图所示:

电路公式中VOUT是输出电压,VIN是驶入电压,FS是开关频率,IL为纹波。一般规格书上会有一个推荐电感值,参照即可。
今天的分享就到这里啦,EBYTE每一天都致力于更好的助力物联化、智能化、自动化的发展,提升资源利用率,更多串口服务器、数传电台、lora模块等无线数传模块产品更多资料,感兴趣的小伙伴可以登录我们的亿佰特官网进行了解,也可以直接拨打400电话咨询技术专员!
相关阅读:
4、过压保护电路详解
7 X 24 销售服务热线
4000-330-990©© 成都亿佰特电子科技有限公司【版权所有】 蜀ICP备13019384号


