

SX1278芯片是一种半双工传输的低中频收发器。
该器件支持FSKGFSKMSKGMSKLoRaTM 及OOK 调制方式,主要采用LoRa远程调制解调器,用于超长距离扩频通信,抗干扰性强。SX1278芯片模块支持168dB的最大链路预算,电压变化时恒定的+20dBm/100mW 射频功率输出以及 14dB 的高效率功率放大器,也就是说,该器件可以同时输出+20dBm 或者+14dBm 的射频功率。该器件的可编程比特率高达 300kps,高灵敏度低至-148dBm,拥有卓越的抗阻塞器。与同类器件相比 SX1278 在大幅降低电流消耗的基础上,还显著优化了相位噪声、选择性、接收机线性度等各项性能。

图 1Pin Diagram

图 2Block Diagram

注:由 SX1278 的数据手册可知,发射时从第 27 引脚 PA_BOOST 引脚出来功率才能达到20dBm, 但是做不到发射时功耗低, 电流有 120mA 左右; 但是发射时从第 28 引脚RFO_LF/RFO_HF 引脚出来,功率可达 14dBm,电流可低至 29mA,适合有低功耗需求的物联网应用场景。这里主要介绍低功耗的硬件设计方案,电路分为 2 个部分:原理图的设计和 PCB 的设计。

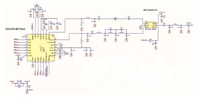
整体框架:电源电路,复位时钟电路,射频电路和外部接口电路这四部分组成。

SX1278芯片的第3 引脚VBAT1(VBAT_ANA)为模拟电路电源电压,第14 引脚VBAT3(VBAT_DIG) 为数字部分电源电压,24 引脚 VBAT2(VBAT_RF)为射频电路电源电压。电源电路主要是这 3 个引脚的供电,供电范围为 1.8V-3.7V,都推荐 3.3V 供电,可用同一个电源供电。并且在每个电源处需要至少加一个滤波电容,减少电源的纹波以保证供电的稳定性。

晶振电路有无源晶振和有源晶振,正常情况下,为保证频率的准确度和更高的灵敏度, 推荐用有源晶振。但是为了保证尺寸最小、性价比最高同时成本低,建议换成无源晶振。这样既节约了成本,又节约了体积,只是模块的接收灵敏度性能肯定会低一些,从而传输距离也会稍微差一些。该器件的复位引脚 NRESET 是直接用外部单片机的 IO 口来控制的,低电平有效。

该器件是可以做成收发分开的,但是要加射频开关来选择,此电路推荐用射频开关 PE4259 来控制收发,将收发支路分开。发射端,用电感电容组成的匹配电路加一个椭圆滤波器,然后再进入射频开关,注意添加隔直电容,以免接收对发射造成影响;同时接收端也是用的电感电容匹配电路,注意添加隔直电容,以免发射对接收造成影响。射频开关后端还加了一个3 阶的π型滤波器,有助于去除发射的 2 次谐波、3 次谐波和杂散,并且同时滤除接收的干扰信号。

将SX1278芯片的所有 IO 引脚都引到外部接口,便于外部单片机做控制。例如,成都亿佰特电子科技有限公司的 E32系列lora模块就满足此种要求,已加外部单片机控制SX1278,并且封装大小只有 26*16MM,作为UART串口模块,使用起来也很方便,只需用户会操作串口就可以进行收发数据控制,如图所示。


如图所示,布局主要是电源的布局和射频的布局,
对于电源,每个电源旁边必须随一个滤波电容,尽量靠近电源引脚;
对于射频,发射通路和接收最好隔远一些,避免造成相互的干扰。
对于布线方面,电源布线不要有环线,避免形成电源回环,每一个滤波电容至少加一个地过孔。射频布线尽量不要有平行线,以免产生互感。
今天的分享就到这里啦,EBYTE每一天都致力于更好的助力物联化、智能化、自动化的发展,提升资源利用率,更多产品更多资料,感兴趣的小伙伴可以登录我们的亿佰特官网和企业公众号(微信号:cdebyte)进行了解,也可以直接拨打400电话咨询技术专员!
7 X 24 销售服务热线
4000-330-990©© 成都亿佰特电子科技有限公司【版权所有】 蜀ICP备13019384号


