

串口,又称为串行数据接口,是数据接口的一种。串行数据传输指的是数据按照数据位依次在单一通道上传输的接口,与并行数据接口相对应(并行数据接口指的是多个数据位同时进行传输)。
串口主要包含以下类别:
1、I2C接口;
2、SPI接口;
3、RS232接口;
4、RS422接口;
5、RS485接口;
6、USB接口;
I2C接口,是一种主要应用于集成电路芯片间的通信的接口。I2C总线最早由Philips公司开发,是一种简单的双向二线制同步串行总线。

使用时,只需要连接2根线即可进行数据传输。I2C主要接口包括:
(1)、SCL(串行时钟线);
(2)、SDA(串行数据线接口);
I2C根据不同的模式,具有不同传输速率,可以分为以下几种:
1、标准模式下最高速率为100Kbps(100千比特每秒)。
2、快速模式下最高速率为400Kbps(400千比特每秒)。
3、快速模式增强下最高速率为1Mbps(1兆比特每秒)。
4、高速模式下最高速率为3.4Mbps(3.4兆比特每秒)。
5、超快速模式下最高速率为5Mbps(5兆比特每秒),注意这种模式为单向传输,不兼容其他模式
SPI接口,是一种主要应用于EEPROM、FLASH、实时时钟、AD转换器等低速器件之间进行同步串行数据传输的接口,SPI总线接口最早由Motorola在其MC68HCXX系列处理器上定义的串行外围接口。

SPI接口,只需要4根线即可进行数据传输,主要接口包括:
(1)、MOSI(主器件数据输出,从器件数据输入);
(2)、MISO(主器件数据输入,从器件数据输出);
(3)、SCLK(时钟信号,由主器件产生);
(4)、NSS(从器件使能信号,由主器件控制);
SPI接口具有两种通信方式:
1、低速SPI通信:在低功耗、长距离通信的场景下,SPI通信速率一般较低,约为几百kHz(千赫兹)。
2、高速SPI通信:在快速数据传输的场景下,SPI通信速率可以达到几十MHz(兆赫兹)甚至更高。
RS232接口是一种应用于工业控制以及计算机外设之间通信的接口。在1970年由美国电子工业协会(EIA)联合制定的用于串行通讯的标准。RS-232接口一般分为DB9(9根线)以及DB25(25根线)两种封装。

RS232的主要接口包括:
(1)RSD(接收线信号检出)
(2)RXD(接收数据)
(3)TXD(发送数据)
(4)DTR(数据终端准备好)
(5)GND(地线)
(6)DSR(数据装置准备好)
(7)RTS(请求发送)
RS232接口固定的传输速率有50、75、110、150、300、600、1200、2400、4800、9600、19200bps等,但是后来速率得到了部分提升,目前传输速率最高可以到达230400b/s。
RS422接口由RS232接口发展而来,在RS232接口的基础上定义了一种平衡通信方式,将传输速率提高到10Mbps,传输距离延长到4000英尺(速率低于100Kbps时)。RS422是一种单机发送、多机接收的单向、平衡传输总线。

RS422接口主要应用于工业控制系统中,采用差分信号的传输方式,具有两个数据传输通道,因此需要4根/5根传输线缆。
(1)T+(用于发送数据)
(2)T-(用于发送数据)
(3)R+(用于接收数据)
(4)R-(用于接收数据)
(5)GND(地线)
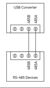
RS485接口在RS422接口基础上增加了多点、双向通信能力。RS485接口与RS422接口一样采用差分线的方式进行传输,因此继承了RS422接口的传输距离与传输速率,但是因为其只需要两根线进行数据传输,所以发送数据和接收数据不能同时进行,因此是一种半双工的传输方式。RS485接口主要由A线与B线进行数据传输,在远距离或者电磁干扰复杂的环境下可以使用双绞屏蔽线。

USB接口是一种高速串行接口,主要应用于移动存储设备、打印机、扫描仪与计算机之间通信。
1.USB 1.0具有两种模式:
1.1、Low Speed:最高速率为1.5Mbit/s或0.1875MBytes/s。
1.2、Full Speed:最高速率为12Mbit/s或1.5MBytes/s。
2.USB 1.1(即USB 1.0 Full Speed):理论最高速率为12Mbit/s或1.5MBytes/s。
3.USB 2.0(Hi-Speed):理论最高速率为480Mbit/s或60MBytes/s。
4.USB 3.0(SuperSpeed):理论最高速率为5Gbit/s或600MBytes/s。
5、USB 3.1分为两个版本:
5.1、Gen 1(即USB 3.0):理论最高速率为5Gbit/s或600MBytes/s。
5.2、Gen 2:理论最高速率为10Gbit/s或1250MBytes/s。
6、USB 3.2分为3个版本:
6.1、Gen 1(即USB 3.1 Gen 1):理论最高速率为5Gbit/s或600MBytes/s。
6.2、Gen 2(即USB 3.1 Gen 2):理论最高速率为10Gbit/s或1250MBytes/s。
6.3、Gen 2×2(仅限Type-C接口):理论最高速率为20Gbit/s或2500MBytes/s。
7.USB 4(仅限Type-C接口):理论最高速率为40Gbit/s或5000MBytes/s。
今天给大家介绍一款工业级串口转换器E810-U15H,该串口转换器是USB转串口模块,支持USB、RS485、RS232、RS422、TTL等多种接口通信转换,采用FTDI进口芯片,传输速率可达12Mbps,采用工业级设计标准,端口具有ESD静电防护,PTC自恢复保险丝,电源+信号采用双重隔离,使设备可以在复杂环境下稳定运行。

产品相关资料下载链接:https://www.ebyte.com/product/2346.html
今天的分享就到这里啦,EBYTE每一天都致力于更好的助力物联化、智能化、自动化的发展,提升资源利用率,更多串口通信转换设备产品和资料,感兴趣的小伙伴可以登录我们的亿佰特官网和企业公众号(微信号:cdebyte)进行了解,也可以直接拨打400电话咨询技术专员!
相关阅读:
7 X 24 销售服务热线
4000-330-990©© 成都亿佰特电子科技有限公司【版权所有】 蜀ICP备13019384号


