




| 射频参数 | 参数值 | 备注 |
| 工作频段 | 425~450.5 MHz | 出厂默认 433MHz |
| 发射功率 | 21~30 dBm | 出厂默认 30dBm(约1W) |
| 接收灵敏度 | -109 dBm | 空速 64kbps |
| 空中速率 | 16k~128kbps | 出厂默认 64kbps |
| 实测距离 | 3000米 | 晴朗空旷环境,最大功率,天线增益5dBi,高度2m,空速64kbps |
| 硬件参数 | 参数值 | 备注 |
| 尺寸大小 | 37 * 60 mm | 不含SMA |
| 天线形式 | SMA-K | |
| 通信接口 | UART串口 | 波特率支持1200~115200,出厂默认9600 |
| 封装方式 | 直插 | |
| 缓存容量 | 512字节 | 内部自动根据时分逻辑分包 |
| 电气参数 | 最小值 | 典型值 | 最大值 | 单位 | 条件 |
| 电源电压 | 3.3 | 5.0 | 5.2 | V | |
| 通信电平 | 2.5 | 3.3 | 3.6 | V | |
| 发射电流 | 589 | 640 | 704 | mA | 30dBm(1W) |
| 接收电流 | 37 | 40 | 44 | mA | |
| 休眠电流 | - | - | - | μA | |
| 工作温度 | -40 | 20 | +85 | ℃ | |
| 工作湿度 | 10 | 60 | 90 | % | |
| 储存温度 | -40 | 20 | +125 | ℃ |

| 序号 | 引脚 | 引脚方向 | 备注 |
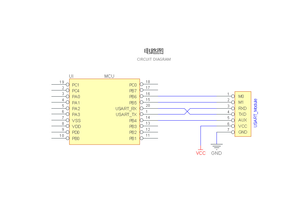
| 1 | M0 | 输入(极弱上拉) | 决定模块的2种工作模式:低电平为传输模式,高电平为配置模式。(不可悬空,如不使用可接地) |
| 2 | LOCK | 输出 | 模块同步指示,高电平表示通信双方已同步,可以进行数据传输,低电平表示双方未同步,此时传输数据会导致数据丢失。 |
| 3 | RXD | 输入 | TTL串口输入,连接到外部TXD引脚(可配置为漏极开路或上拉输入,详见手册) |
| 4 | TXD | 输出 | TTL串口输出,连接到外部RXD引脚(可配置为漏极开路或推挽输出,详见手册) |
| 5 | AUX | 输出 | 指示模块工作状态,用户外部唤醒MCU,上电自检初始化期间输出低电平 |
| 6 | VCC | 输入 | 模块电源正参考,电压范围:2.8V~5.5V DC |
| 7 | GND | 输入 | 模块地线 |
| 8 | 固定孔 | 固定孔 | |
| 9 | 固定孔 | 固定孔 | |
| 10 | 固定孔 | 固定孔 | |
| 11 | 固定孔 | 固定孔 | |
| 12 | 固定孔 | 固定孔 | |
| 13 | 固定孔 | 固定孔 | |
| 14 | 固定孔 | 固定孔 | |
| 15 | 固定孔 | 固定孔 |
| 在线购买 |
| 【亿佰特官方淘宝店】:https://item.taobao.com |
| 【京东商城】:https://i-item.jd.com |
| 【官方淘宝】:https://item.taobao.com |
| 批量采购/定制产品 |
| 【销售专线】:4000-330-990 7x24小时销售服务热线 |
| 【联系邮箱】:support@cdebyte.com |
| 技术咨询 |
| 【在线提交】:http://www.ebyte.com/apple-technology.aspx |
| 【联系邮箱】:support@cdebyte.com |

| 产品 型号 | 接口类型 | 芯片方案 | 载波频率Hz | 发射功率dBm | 测试距离km | 空中速率 bps | 封装形式 | 产品尺寸mm | 产品特点 | 技术 手册 | 样品 购买 |
|---|---|---|---|---|---|---|---|---|---|---|---|
| E62-433T20S | UART | - | 433M | 20 | 1.0 | 16k~128k | 贴片 | 21*26 | 高速全双工,自动跳频,透传 | ||
| E62-DTU(433D30) | RS232 RS485 | - | 433M | 30 | 3.0 | 16k~128k | 压线/DB9 | 82*62*25 | 全双工,自动跳频扩频 | ||
| E62-433T30D | UART | - | 433M | 30 | 3.0 | 16k~128k | 直插 | 37 * 60 | 全双工,自动跳频,飞控 | ||
| E62-DTU(433D20) | RS232 RS485 | - | 433M | 20 | 1.0 | 16k~128k | 压线/DB9 | 82*62*25 | 全双工,自动跳频扩频 | ||
| E62-433T20D | UART | - | 433M | 20 | 1.0 | 16k~128k | 直插 | 21 * 36 | 全双工,自动跳频,飞控 |