



发射功率:33dBm
通信距离:12km
产品尺寸:25*40.5mm 产品重量:5.4±0.1g
产品简介:E22-230TXXS是全新一代的LoRa无线模块,基于SEMTECH公司LoRa方案的无线串口模块(UART),具有多种传输方式,工作在(220.125~236.125MHz)频段(默认230.125MHz),LoRa扩频技术,TTL电平输出,兼容3.3V与5V的IO口电压。该lora模块采用全新一代LoRa扩频技术,与传统SX1276方案相比,SX1262方案传输距离更远,速度更快,功耗更低,体积更小;支持空中唤醒、无线配置、载波监听、自动中继、通信密钥等功能,支持分包长度设定,可提供定制开发服务。
| 射频参数 | 参数值 | 备注 |
| 工作频段 | 220.125~236.125MHz | 支持ISM频段 |
| 发射功率 | 33.0±0.5 dBm | |
| 阻塞功率 | 0 ~ 10.0 dBm | 近距离使用烧毁概率较小 |
| 接收灵敏度 | -147±1.0 dbm | 空中速率为2.4kbps |
| 空中速率 | 0.3k~15.6kbps | 用户编程控制 |
| 实测距离 | 12Km | 晴朗空旷,天线增益 5dBi,天线高度 2.5 米,空中速率 2.4kbps |
| 电气参数 | 参数值 | 备注 |
| 工作电压 | 3.3~5.5 V | ≥3.3V 可保证输出功率 |
| 通信电平 | 3.3 V | 使用 5V TTL 有风险烧毁 |
| 发射电流 | 990 mA | 瞬时功耗 |
| 接收电流 | 15 mA | |
| 休眠电流 | 2 uA | 软件关断 |
| 工作温度 | -40 ~ +85 ℃ | 工业级 |
| 主要参数 | 参数值 | 备注 |
| 外形尺寸 | 25*40.5 mm | |
| 重量 | 5.40g | ±0.1 |
| 发射长度 | 240 Byte | 可通过指令设置分包 32/64/128/240 字节发送 |
| 缓存容量 | 1000 Byte | |
| 调制方式 | LoRa | 新一代 LoRa 调制技术 |
| 通信接口 | UART 串口 | TTL 电平 |
| 封装方式 | 贴片式,邮票孔,间距 1.27/2.54 mm | |
| 接口方式 | 2.54 mm | |
| PA+LNA | 有 | 模块内置 PA+LNA |

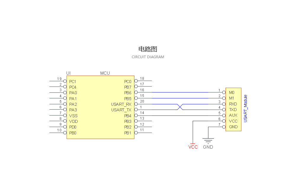
| 序号 | 引脚 | 引脚方向 | 备注 |
| 1 | GND | - | 模块地线 |
| 2 | VCC | - | 模块电源正参考,电压范围:3.3~5.5V DC |
| 3 | AUX | 输出 | 用于指示模块工作状态;用户唤醒外部 MCU,上电自检初始化期间输出低电平;(可以悬空) |
| 4 | TXD | 输出 | TTL 串口输出,连接到外部 RXD 输入引脚; |
| 5 | RXD | 输入 | TTL 串口输入,连接到外部 TXD 输出引脚; |
| 6 | M1 | 输入(极弱上拉) | 和 M0 配合,决定模块的 4 种工作模式(不可悬空,如不使用可接地) |
| 7 | M0 | 输入(极弱上拉) | 和 M1 配合,决定模块的 4 种工作模式(不可悬空,如不使用可接地) |
| 11 | ANT | 输出 | 天线接口(高频信号输出,50 欧姆特性阻抗) |
| 12 | GND | - | 固定地 |
| 13 | GND | - | 固定地 |
| 14 | GND | - | 固定地 |
| 18 | NC | - | 空脚 |
| 19 | NC | - | 空脚 |
| 20 | NC | - | 空脚 |
| 21 | NC | - | 空脚 |
| 22 | RESET | 输入 | 程序加载时的复位引脚(悬空,用户无需连接) |
| 23 | GND | 输入 | 程序加载时的地引脚(悬空,用户无需连接) |
| 24 | NC | - | 空脚 |
| 在线购买 |
| 【亿佰特官方淘宝店】:https://item.taobao.com |
| 【阿里巴巴】:https://detail.1688.com |
| 批量采购/定制产品 |
| 【销售专线】:4000-330-990 7x24小时销售服务热线 |
| 【联系邮箱】:support@cdebyte.com |
| 技术咨询 |
| 【在线提交】:http://www.ebyte.com/apple-technology.aspx |
| 【联系邮箱】:support@cdebyte.com |
| 产品 型号 | 接口类型 | 芯片方案 | 载波频率Hz | 发射功率dBm | 测试距离km | 空中速率bps | 封装形式 | 产品尺寸mm | 产品特点 | 技术 手册 | 样品 购买 |
|---|---|---|---|---|---|---|---|---|---|---|---|
| E22P-433M30S | SPI | SX1262 | 433M | 30 | 12 | 0.3k~62.5k | 贴片 | 24*38.5 | 高性能LoRa模块 | ||
| EWM226-900H30S | UART | LoRa方案 | 868M 915M | 30 | 5 | 11~62.5K | 贴片 | 21*25 | LoRa扩频调制、小体积、远距离 | ||
| E22P-915M30S | SPI | SX1262 | 915M | 30 | 12 | 0.3k~62.5k | 贴片 | 24*38.5 | 增加射频前端模组(RF FEM)、工业级高精度温补晶振的高性能LoRa模块 | ||
| E22P-868M30S | SPI | SX1262 | 868M | 30 | 12 | 0.3k~62.5k | 贴片 | 24*38.5 | 增加射频前端模组(RF FEM)、工业级高精度温补晶振的高性能LoRa模块 | ||
| E22-170M33S | SPI | SX1262 | 150M 170M | 33 | 16 | 0.018~62.5k | 贴片 | 24*38.5 | 小体积、低功耗、远距离 | ||
| E22-170M30S | SPI | SX1262 | 150M 170M | 30 | 10 | 0.018~62.5k | 贴片 | 24*38.5 | 小体积、低功耗、远距离 | ||
| E22-170M22S | SPI | SX1262 | 170M | 22 | 5 | 0.018~62.5k | 贴片 | 14*20 | 小体积、低功耗、远距离 | ||
| E22-170T33S | UART | LoRa方案 | 170M | 33 | 16 | 2.4K~15.6K | 贴片 | 25*40.5 | IPEX一代/邮票孔天线接口、新一代LoRa扩频 | ||
| E22-170T30S | UART | LoRa方案 | 170M | 30 | 10 | 2.4K~15.6K | 贴片 | 25*40.5 | IPEX一代/邮票孔天线接口、新一代LoRa扩频 | ||
| EWM22A-900BWL22S | UART | - | 2.4G/868M/915M | 22 | 0.5/5 | - | 贴片 | 14*20 | BLE、WIFI、LoRa多合一无线数传模块,功能强大,应用场景多样化 | ||
| EWM22A-400BWL22S | UART | - | 2.4G+433M | 22 | 0.5/5 | - | 贴片 | 14*20 | BLE、WIFI、LoRa多合一无线数传模块,功能强大,应用场景多样化 | ||
| EWM22M-400T22S | UART | LoRa方案 | 433M | 22 | 5 | 2.4~62.5K | 贴片 | 14*20 | 低成本、小尺寸LoRa无线串口模块 | ||
| EWM226-900T22S | UART | LoRa方案 | 868M 915M | 22 | 5 | 4800~19200 | 贴片 | 14*17.5 | 半双工、收发一体、高速率传输、割草机应用LoRa模块 | ||
| EWM226-400T22S | UART | LoRa方案 | 433M | 22 | 5 | 4800~19200 | 贴片 | 14*17.5 | 半双工、收发一体、高速率传输、割草机应用LoRa模块 | ||
| EWM22A-400R30D | RS485 | - | 433M 470M | 30 | 10 | 2.4~64.5K | 插针式 | 26*48 | LoRa扩频调制、RS485接口模块 | ||
| EWM22A-400R22D | RS485 | - | 433M 470M | 22 | 5 | 2.4~64.5K | 插针式 | 38*23 | LoRa扩频调制、RS485接口模块 | ||
| E22-900M33S | SPI | SX1262 | 868M 915M | 33 | 16 | 0.3~62.5k | 贴片 | 24*38.5 | 远距离抗干扰LoRa扩频模块 | ||
| E22-900T33S | UART | LoRa方案 | 868M 915M | 33 | 16 | 2.4~62.5k | 贴片 | 25*40.5 | LoRa 自动中继组网 远程配置 | ||
| E22-230T37S | UART | LoRa方案 | 230M | 37 | 20 | - | 贴片式 | 50*30.9 | LoRa扩频/5E大功率 | ||
| E22-400T37S | UART | LoRa方案 | 433M 470M | 37 | 25 | 0.3~62.5k | 贴片 | 50*30.9 | LoRa 自动中继组网 远程配置 | ||
| E22-900T22U | USB | LoRa方案 | 868M 915M | 22 | 5 | 2.4~62.5k | 直插式 | 45.3*27.8*11.2 | LoRa 中继组网 USB接口 | ||
| E22-400T22U | USB | LoRa方案 | 433M | 22 | 5 | 2.4~62.5k | 直插式 | 45.3*27.8*11.2 | LoRa 中继组网 USB接口 | ||
| E22-230T22U | USB | LoRa方案 | 230M | 22 | 5 | 2.4~15.6k | 直插式 | 45.3*27.8*11.2 | LoRa 中继组网 USB接口 | ||
| E22-400T33E | Mini PCI-e | LoRa方案 | 433M 470M | 33 | 16 | 2.4~62.5k | Mini PCI-e | 30*51 | LoRa、自动中继、远程配置、空中唤醒 | ||
| E22-230T33E | Mini PCI-e | LoRa方案 | 230M | 33 | 12 | 2.4~62.5k | Mini PCI-e | 30*51 | LoRa、自动中继、远程配置、空中唤醒 | ||
| E22-230T30E | Mini PCI-e | LoRa方案 | 230M | 30 | 10 | 2.4~62.5k | Mini PCI-e | 30*51 | LoRa 自动中继、远程配置、空中唤醒,自带UART/RS485/RS232/USB通信接口 | ||
| E22-900MM22S | SPI | SX1262 | 868M 915M | 22 | 6 | 0.018~62.5k 0.6~300k | 贴片式 | 10*10*2.5 | LoRa调制技术、超小体积低功耗 | ||
| E22-400MM22S | SPI | SX1268 | 410M 493M | 22 | 6 | 0.018~62.5k 0.6~300k | 贴片式 | 10*10*2.5 | LoRa调制技术、超小体积低功耗 | ||
| E22-400M33S | SPI | SX1268 | 433M 470M | 33 | 16 | 0.018~62.5k 0.6~300k | 贴片式 | 38.5*24 | 新一代lora技术 | ||
| E22-230T33S | UART | LoRa方案 | 230M | 33 | 12 | 0.3~15.6k | 贴片式/邮票孔 | 25*40.5 | LoRa/自动中继/远程配置/空中唤醒 | ||
| E22-400T30E | Mini PCI-e | LoRa方案 | 433M 470M | 30 | 10 | 2.4~62.5k | Mini PCI-e | 30*51 | LoRa自动中继、远程配置、空中唤醒,自带UART/RS485/RS232/USB通信接口 | ||
| E22-400T33S | UART | LoRa方案 | 400M | 33 | 16 | 2.4~62.5k | 贴片 | 25*40.5 | LoRa 自动中继 远程配置 | ||
| E22-400T33D | UART | LoRa方案 | 433M 470M | 33 | 16 | 2.4~62.5k | 直插 | 37*60*7.6 | LoRa 自动中继 远程配置 | ||
| E22-230T30D | UART | LoRa方案 | 230M | 30 | 10 | 0.3~15.6k | 直插式 | 24*43 | LoRa 自动中继 远程配置 | ||
| E22-230T22D | UART | LoRa方案 | 230M | 22 | 5 | 0.3~15.6k | 直插式 | 21*36 | LoRa 自动中继 远程配置 | ||
| E22-900T30S | UART | LoRa方案 | 868M 915M | 30 | 10 | 2.4~62.5k | 贴片 | 25*40.5 | LoRa 自动中继 远程配置 | ||
| E22-900T22S | UART | LoRa方案 | 868M 915M | 22 | 5 | 2.4~62.5k | 贴片 | 16*26 | LoRa 自动中继 远程配置 | ||
| E22-400T30S | UART | LoRa方案 | 433M 470M | 30 | 10 | 2.4~62.5k | 贴片 | 25*40.5 | LoRa 自动中继 远程配置 | ||
| E22-400T22S | UART | LoRa方案 | 433M 470M | 22 | 5 | 2.4~62.5k | 贴片 | 16*26 | LoRa 自动中继 远程配置 | ||
| E22-400T22D | UART | LoRa方案 | 433M 470M | 22 | 5 | 2.4~62.5k | 直插 | 21*36 | LoRa 自动中继 远程配置 | ||
| E22-900T30D | UART | LoRa方案 | 868M 915M | 30 | 10 | 2.4~62.5k | 直插 | 24*43 | LoRa 自动中继 远程配置 | ||
| E22-900T22D | UART | LoRa方案 | 868M 915M | 22 | 5 | 2.4~62.5k | 直插 | 21*36 | LoRa 自动中继 远程配置 | ||
| E22-400T30D | UART | LoRa方案 | 433M 470M | 30 | 10 | 2.4~62.5k | 直插 | 24*43 | 全新 LoRa 扩频 自动中继 无线配置 | ||
| E22-230T30S | UART | LoRa方案 | 230M | 30 | 10 | 0.3~15.6k | 贴片 | 25*40.5 | LoRa 自动中继 远程配置 | ||
| E22-230T22S | UART | LoRa方案 | 230M | 22 | 5 | 0.3~15.6k | 贴片 | 16*26 | LoRa 自动中继 远程配置 | ||
| E22-400M30S | SPI | SX1268 | 433M 470M | 30 | 12 | 0.018~62.5k 0.6~300k | 贴片 | 24*38.5 | 新1代LoRa扩频,全球首发 | ||
| E22-900M30S | SPI | SX1262 | 868M 915M | 30 | 12 | 0.018~62.5k 0.6~300k | 贴片 | 24*38.5 | 新1代LoRa扩频,全球首发 | ||
| E22-900M22S | SPI | SX1262 | 868M 915M | 22 | 6 | 0.018~62.5k 0.6~300k | 贴片 | 14*20 | 新1代LoRa扩频,全球首发 | ||
| E22-400M22S | SPI | SX1268 | 433M 470M | 22 | 6 | 0.018~62.5k 0.6~300k | 贴片 | 14*20 | 新1代LoRa扩频,全球首发 |