



通信接口:UART
发射功率:30dBm
通信距离:5.6km
调制方式:GMSK/4FSK 产品重量:4.8±0.1g
产品简介:RD400D是一款表贴内置式定频收发一体数传电台,工作在410MHz~470MHz频段,专注于测量测绘、精准农业、无人机和物联网应用环境,具有重量轻、体积小、功耗低、接收性能优越等特点。支持多种功率档位选择、空中波特率自由切换、丰富的串口波特率选择、操作简便等特点。支持TRIMTALK、TRIMMARK3、TRANSEOT(PCC或透明协议)等行业主流传输协议,支持多种串口波特率选择:9600bps、19200bps、38400bps、 57600bps、115200bps。
| 极限参数 | 性能 | 备注 | |
| 最小值 | 最大值 | ||
| 电源电压(v) | 3.3 | 3.6 | 超过3.6V永久烧毁模块 |
| 工作温度(℃) | -40 | +85 | 工业级 |
| 储存温度(℃) | -40 | +125 | - |
| 主要参数 | 性能 | 备注 | |||
| 最小值 | 典型值 | 最大值 | |||
| 正常电压模式 | - | 3.3 | 3.6 | ≥3.3V可保证输出功率 | |
| 通信电平(V) | - | 3.3 | - | 使用5V TTL有风险烧毁 | |
| 工作频段(MHz) | 410 | 450 | 470 | - | |
| 发射功率(dPm) | 高功率 | - | 30 | - | 士0.5dBm@3.3V DC |
| 低功率 | - | 27 | - | ||
| 接收灵敏度〔dBm) | - | -115 | - | @BER 10-3,9600bps | |
| 功 耗 | 发射电流(mA) | - | 1 066 | - | @30dBm |
| 接收电流(mA) | - | 50 | - | - | |
| 发射机性能规格 | ||
| 主要参数 | 描述 | 备注 |
| 射频功率稳定度 | 士1dB | - |
| 邻道功率 | >50dB | - |
| 二次谐波 | <-25dBm | |
| 接收机性能规格 | ||
| 主要参数 | 描述 | 备注 |
| 共信道抑制 | >-12dB | - |
| 邻道选择性 | >50dB@25KHz | - |
| 杂散抗扰性 | >50dB | - |
| 空中速率 | 9600bps、19200bps | - |
| 主要参数 | 描述 | 备注 |
| 参考距离 | 5.6Km | 晴朗空旷环境,高度2.0米,@30dBm,空速 9600bps |
| 调制方式 | GMSK/4FSK | - |
| 通信接口 | UART | - |
| 频率稳定度 | ≤±1.0ppm | - |
| 工作模式 | 半双工 | - |
| 封装方式 | 贴片式 | - |
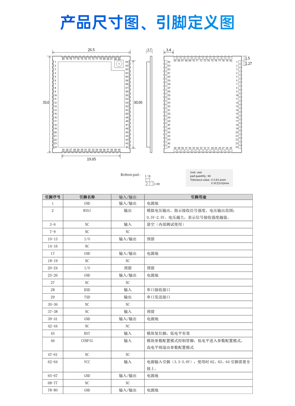
| 外形尺寸 | 33*26.5*3.7mm | 士0.1mm |
| 天线接口 | 邮票孔、IPEX | 等效阻抗约50Ω |
| 引脚数量 | 80 | - |
| 产品重量 | 4.8g | 士0.1g |

| 引脚序号 | 引脚名称 | 输入/输出 | 引脚用途 |
| 1 | GND | 输入/输出 | 电源地 |
| 2 | RSSI | 输出 | 模拟电压输出,指示接收信号强度,电压输出范围:0.5V-2.5V。电压越大,表示信号接收强度越强。 |
| 3-6 | NC | 输入 | 悬空(内部测试使用) |
| 7-9 | NC | NC | - |
| 10-13 | I/0 | 输入/输出 | 预留 |
| 14-16 | NC | - | |
| 17 | GND | 输入/输出 | 电源地 |
| 18-19 | NC | NC | - |
| 20-24 | I/0 | 预留 | 预留 |
| 25-26 | GND | 输入/输出 | 电源地 |
| 27 | NC | NC | - |
| 28 | RXD | 输入 | 串口接收接口 |
| 29 | TXD | 输出 | 串口发送接口 |
| 30-36 | NC | NC | - |
| 37-38 | NC | 输入 | 预留 |
| 39-41 | GND | 输入/输出 | 电源地 |
| 42-44 | NC | NC | - |
| 45 | RST | 输入 | 模块复位脚,低电平有效 |
| 46 | CONFIG | 输入 | 模块参数配置模式控制管脚,低电平进入参数配置模式, 高电平则退出参数配置模式 |
| 47-61 | NC | NC | - |
| 62-64 | VCC | 输入 | 电源输入引脚(3.3-3.6V),使用时62、63、64引脚需要全 接上。 |
| 65-67 | GND | 输入/输出 | 电源地 |
| 68-77 | NC | NC | - |
| 78-80 | GND | 输入/输出 | 电源地 |
| 产品说明书 |
| 【用户手册】RD400D_Usermanual_CN |
| 开发测试 |
| 【封装文件】PCB_Library |
| 工具软件 |
| 【通信测试】串口调试助手_XCOM |
| 【升级工具】Upgrade tools_ |
| 亿佰特简介 |
| 【企业简介】 |
| 在线购买 |
| 【亿佰特官方淘宝店】:https://item.taobao.com |
| 【京东商城】:https://i-item.jd.com |
| 批量采购/定制产品 |
| 【销售专线】:4000-330-990 7x24小时销售服务热线 |
| 【联系邮箱】:support@cdebyte.com |
| 技术咨询 |
| 【在线提交】:http://www.ebyte.com/apple-technology.aspx |
| 【联系邮箱】:support@cdebyte.com |
| 产品 型号 | 接口类型 | 芯片方案 | 工作频率Hz | 发射功率dBm | 通信距离km | 空中速率bps | 封装形式 | 产品尺寸mm | 产品特点 | 技术 手册 | 样品 购买 |
|---|---|---|---|---|---|---|---|---|---|---|---|
| M31-GXXXB0008-U | RS485 | RJ45 | 0 | 0 | 0 | 8 | DC9~36 | 导轨+定位孔 | 110*25*100 | ||
| RD400D | UART | - | 433M | 30 | 5.6 | 9600、19200 | 贴片 | 33*26.5*3.7 | 数传电台、测量测绘模块、高速连串 |