




| 射频参数 | 参数值 | 备注 |
| 工作频段 | 2400~2518 MHz | 出厂默认 2400MHz |
| 发射功率 | 10~20 dBm | 出厂默认 20dBm(约100mW) |
| 接收灵敏度 | -102 dBm | 空速 250kbps |
| 空中速率 | - | 自动适应波特率 |
| 实测距离 | 2000米 | 晴朗空旷环境,最大功率,天线增益5dBi,高度2m,空速250kbps |
| 硬件参数 | 参数值 | 备注 |
| 尺寸大小 | 21 * 36 mm | 不含SMA |
| 天线形式 | SMA-K | |
| 通信接口 | UART串口 | 波特率支持1200~115200,出厂默认9600 |
| 封装方式 | 直插 | |
| 缓存容量 | 1024字节 | 内部自动分包29字节发送 |
| 电气参数 | 最小值 | 典型值 | 最大值 | 单位 | 条件 |
| 电源电压 | 2.3 | 5.0 | 5.5 | V | |
| 通信电平 | 2.5 | 3.3 | 5.2 | V | |
| 发射电流 | 100 | 110 | 120 | mA | 20dBm(100mW) |
| 接收电流 | 20.5 | 21.5 | 22.5 | mA | |
| 休眠电流 | - | 75 | - | μA | |
| 工作温度 | -40 | 20 | +85 | ℃ | |
| 工作湿度 | 10 | 60 | 90 | % | |
| 储存温度 | -40 | 20 | +125 | ℃ |

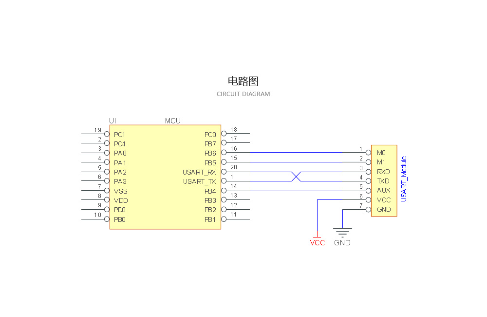
| 序号 | 引脚 | 引脚方向 | 备注 |
| 1 | M0 | 输入(极弱上拉) | 和M1配合,决定模块的工作模式(不可悬空,如不使用可接地) |
| 2 | M1 | 输入(极弱上拉) | 和M0配合,决定模块的工作模式(不可悬空,如不使用可接地) |
| 3 | RXD | 输入 | TTL串口输入,连接到外部TXD引脚(可配置为漏极开路或上拉输入,详见手册) |
| 4 | TXD | 输出 | TTL串口输出,连接到外部RXD引脚(可配置为漏极开路或推挽输出,详见手册) |
| 5 | AUX | 输出 | 指示模块工作状态,用户外部唤醒MCU,上电自检初始化期间输出低电平 |
| 6 | VCC | 输出 | 模块电源正参考 |
| 7 | GND | 输出 | 模块地线 |
| 8 | 固定孔 | 固定孔 | |
| 9 | 固定孔 | 固定孔 | |
| 10 | 固定孔 | 固定孔 |
| 在线购买 |
| 【亿佰特官方淘宝店】:https://item.taobao.com |
| 【京东商城】:https://i-item.jd.com |
| 【官方淘宝】:https://item.taobao.com |
| 【阿里巴巴】:https://detail.1688.com |
| 批量采购/定制产品 |
| 【销售专线】:4000-330-990 7x24小时销售服务热线 |
| 【联系邮箱】:support@cdebyte.com |
| 技术咨询 |
| 【在线提交】:http://www.ebyte.com/apple-technology.aspx |
| 【联系邮箱】:support@cdebyte.com |

| 产品 型号 | 接口类型 | 芯片方案 | 载波频率Hz | 发射功率dBm | 测试距离km | 空中速率 bps | 封装形式 | 产品尺寸mm | 产品特点 | 技术 手册 | 样品 购买 |
|---|---|---|---|---|---|---|---|---|---|---|---|
| E34-2G4D27SX | UART | - | 2.4G | 27 | 5.0 | 自适应波特率 | 直插 | 21*36 | 全双工、高速透传、低延迟 | ||
| E34-2G4H27SX | UART | - | 2.4G | 27 | 5 | 250k-2M | 贴片式 | 16*26 | 自动跳频,抗干扰,低延迟,高速连串 | ||
| E34-2G4D20SX | UART | - | 2.4G | 20 | 2.0 | 自适应波特率 | 贴片 | 16*26 | 全双工、高速透传、双向通信 | ||
| E34-2G4H20SX | UART | - | 2.4G | 20 | 2.5 | 250k-2M | 贴片式 | 16*26 | 自动跳频,抗干扰,低延迟,高速连串 | ||
| E34-2G4H11S | UART | - | 2.4G | 11 | - | 250-2M | 贴片式 | 12*19 | 自动跳频,抗干扰,高速连串 | ||
| E34-2G4D11S | UART | - | 2.4G | 11 | 0.13 | 自适应波特率 | 贴片式 | 12*19 | 全双工,抗干扰,高速连传 | ||
| E34-2G4D27D | UART | nRF24L01+ | 2.4G | 27 | 5.0 | 自适应波特率 | 直插 | 21*36 | 全双工,高速双向通信 | ||
| E34-DTU(2G4H27) | RS232 RS485 | nRF24L01+ | 2.4G | 27 | 5.0 | 250~2M | 压线/DB9 | 82*62*25 | 自动跳频,丢包自动重传 | ||
| E34-2G4H27D | UART | nRF24L01+ | 2.4G | 27 | 5.0 | 250~2M | 直插 | 21*36 | 自动跳频,丢包自动重传 | ||
| E34-DTU(2G4D20)&E34-DTU(2G4D27) | RS232 RS485 | nRF24L01+ | 2.4G | 20 | 2.0 | 自适应波特率 | 压线/DB9 | 82*62*25 | 全双工,双向同时传输 | ||
| E34-DTU(2G4H20) | RS232 RS485 | nRF24L01+ | 2.4G | 20 | 2.5 | 250k~2M | 压线/DB9 | 82*62*25 | 自动跳频,丢包自动重传 | ||
| E34-2G4D20D | UART | nRF24L01+ | 2.4G | 20 | 2.0 | 自适应波特率 | 直插 | 21*36 | 全双工,高速双向通信 | ||
| E34-2G4H20D | UART | nRF24L01+ | 2.4G | 20 | 2.5 | 250~2M | 直插 | 21*36 | 自动跳频,丢包自动重传 |