




| 射频参数 | 参数值 | 备注 |
| 工作频段 | 148~173.5 MHz | 出厂默认 170MHz |
| 发射功率 | 10~20 dBm | 出厂默认 20dBm(约100mW) |
| 接收灵敏度 | -121 dBm | 空速 5kbps |
| 空中速率 | 1k~25kbps | 出厂默认 5kbps |
| 实测距离 | 2500米 | 晴朗空旷环境,最大功率,天线增益5dBi,高度2m,空速2.4kbps |
| 硬件参数 | 参数值 | 备注 |
| 尺寸大小 | 21 * 36 mm | 不含SMA |
| 天线形式 | SMA-K | |
| 通信接口 | UART串口 | 波特率支持1200~115200,出厂默认9600 |
| 封装方式 | 直插 | |
| 缓存容量 | 512字节 | 内部自动分包58字节发送 |
| 电气参数 | 最小值 | 典型值 | 最大值 | 单位 | 条件 |
| 电源电压 | 2.3 | 5.0 | 5.2 | V | |
| 通信电平 | 2.5 | 3.3 | 3.6 | V | |
| 发射电流 | 82 | 89 | 98 | mA | 20dBm(100mW) |
| 接收电流 | 15 | 16 | 17 | mA | |
| 休眠电流 | 3 | 4 | 5 | μA | |
| 工作温度 | -40 | 20 | +85 | ℃ | |
| 工作湿度 | 10 | 60 | 90 | % | |
| 储存温度 | -40 | 20 | +125 | ℃ |

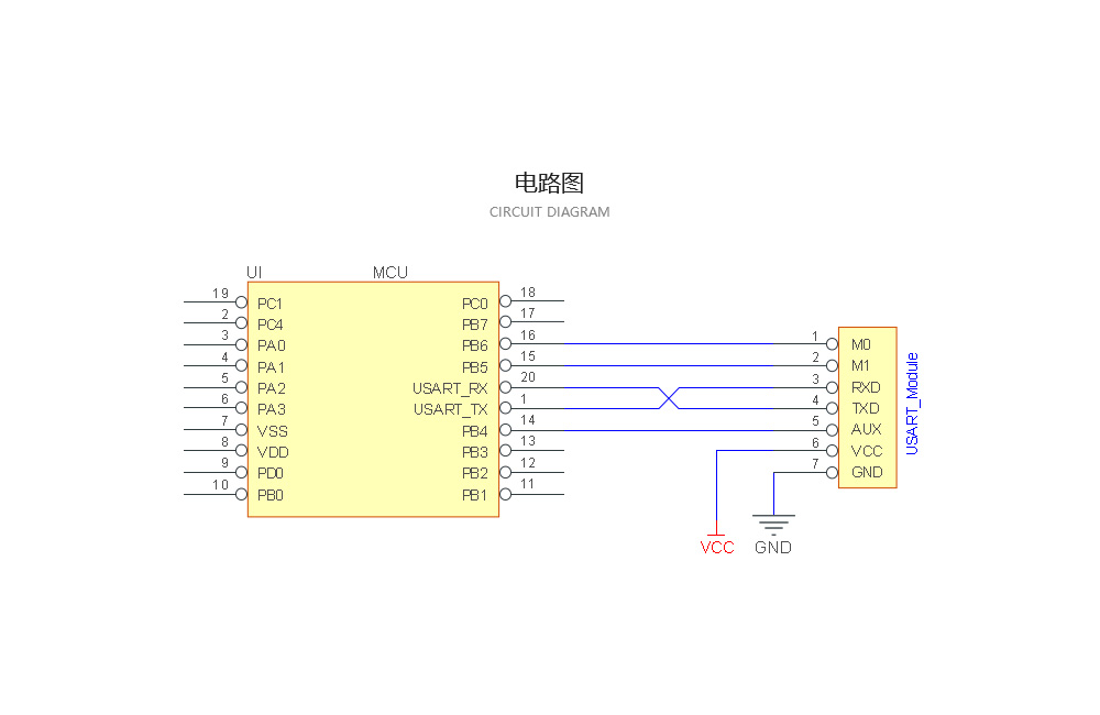
| 序号 | 引脚 | 引脚方向 | 备注 |
| 1 | M0 | 输入(极弱上拉) | 和M1配合,决定模块的工作模式(不可悬空,如不使用可接地) |
| 2 | M1 | 输入(极弱上拉) | 和M0配合,决定模块的工作模式(不可悬空,如不使用可接地) |
| 3 | RXD | 输入 | TTL串口输入,连接到外部TXD引脚(可配置为漏极开路或上拉输入,详见手册) |
| 4 | TXD | 输出 | TTL串口输出,连接到外部RXD引脚(可配置为漏极开路或推挽输出,详见手册) |
| 5 | AUX | 输出 | 指示模块工作状态,用户外部唤醒MCU,上电自检初始化期间输出低电平 |
| 6 | VCC | 输出 | 模块电源正参考 |
| 7 | GND | 输出 | 模块地线 |
| 8 | 固定孔 | 固定孔 | |
| 9 | 固定孔 | 固定孔 | |
| 10 | 固定孔 | 固定孔 |
| 在线购买 |
| 【亿佰特官方淘宝店】:https://item.taobao.com |
| 【京东商城】:https://i-item.jd.com |
| 【官方淘宝】:https://item.taobao.com |
| 【阿里巴巴】:https://detail.1688.com |
| 批量采购/定制产品 |
| 【销售专线】:4000-330-990 7x24小时销售服务热线 |
| 【联系邮箱】:support@cdebyte.com |
| 技术咨询 |
| 【在线提交】:http://www.ebyte.com/apple-technology.aspx |
| 【联系邮箱】:support@cdebyte.com |

| 产品 型号 | 接口类型 | 芯片方案 | 载波频率Hz | 发射功率dBm | 测试距离km | 空中速率 bps | 封装形式 | 产品尺寸mm | 产品特点 | 技术 手册 | 样品 购买 |
|---|---|---|---|---|---|---|---|---|---|---|---|
| E30T-433T20S(150℃) | TTL | - | 410M 450M | 20 | 3.5 | 1~25k | 贴片 | 16*26 | 150℃耐高温、收发一体、透传模块 | ||
| E30T-433T20S(125℃) | TTL | - | 410M 450M | 20 | 3.5 | 1~25k | 贴片 | 16*26 | 125℃耐高温、收发一体、透传模块 | ||
| E30-400M30S(4463) | SPI | SI4463 | 433M 470M | 30 | 5.6 | 1~25k | 贴片 | 38.5*24 | 传输距离远,穿透绕射能力 | ||
| E30-400M30S(4438) | SPI | SI4438 | 433M 470M | 30 | 5.6 | 1~25k | 贴片 | 38.5*24 | 传输距离远,穿透绕射能力 | ||
| E30-900MBL-01 | USB | - | - | - | - | - | - | 53*27 | E30-900M20S开发评估套件 | ||
| E30-400MBL-01 | USB | - | - | - | - | - | - | 53*27 | E30-400M20S开发评估套件 | ||
| E30-400M20S(4463) | SPI | SI4463 | 433M 470M | 20 | 2.5 | 1~25k | 贴片 | 20*14 | 传输距离远,穿透绕射能力 | ||
| E30-900M30S | SPI | SI4463 | 868M 915M | 30 | 5.6 | 1~25k | 贴片 | 38.5*24 | 传输距离远,穿透绕射能力 | ||
| E30-900M20S | SPI | SI4463 | 868M 915M | 20 | 2.5 | 1~25k | 贴片 | 20*14 | 传输距离远,穿透绕射能力 | ||
| E30-433T20S3 | UART | SI4438 | 433M | 20 | 2.5 | 1~25k | 贴片 | 16*26 | 前向纠错,支持空中唤醒 | ||
| E30-780T20S | UART | SI4464 | 780M | 20 | 2.5 | 1~25k | 贴片 | 17*30 | 物联网频段,空中唤醒 | ||
| E30-170T27D | UART | SI4463 | 170M | 27 | 5.0 | 1~25k | 直插 | 24*43 | 穿透绕射,适合复杂环境 | ||
| E30-170T20D | UART | SI4463 | 170M | 20 | 2.0 | 1~25k | 直插 | 21*36 | 穿透绕射,适合复杂环境 | ||
| E30-433T20D | UART | SI4438 | 433M | 20 | 2.5 | 1~25k | 直插 | 21*36 | 稳定可靠,支持空中唤醒 |